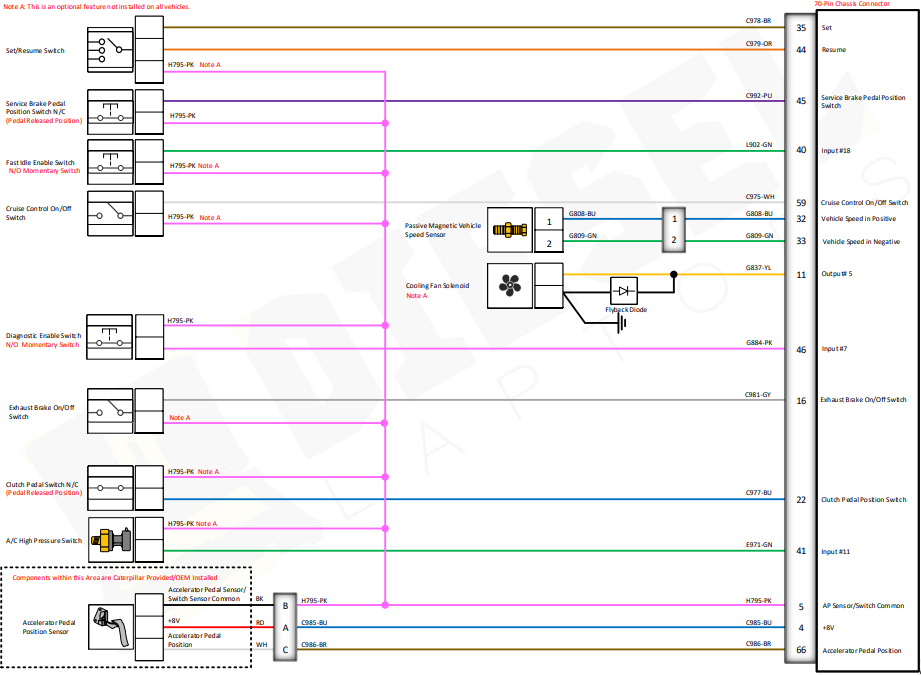
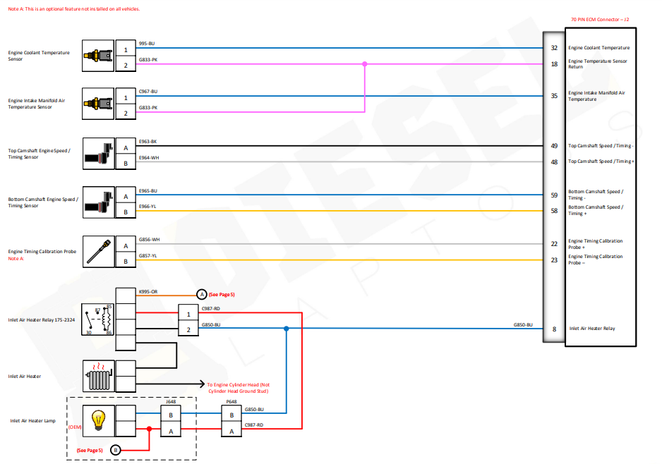
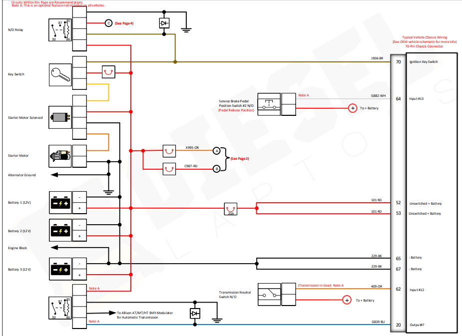
Caterpillar 3126B Engine Electrical Circuit Diagram (BKD, 1AJ, 8YL, 7AS)By mlkfdo / How to Read This Diagram DOWNLOAD PDF Connectors 3126B Engine