Package include
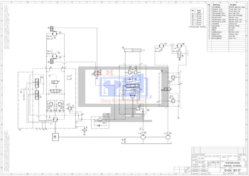
Bomag BW125AD to BW138AD Hydraulic Schematic
Language
English
Format
PDF
Total Number of pages
1
Publication Number
B 654 301 07
Compatible
All windows and mac systems
Additional Requirement
User needs to Install PDF Reader Software
Shipping Policy
Download link by high speed web server Total Download size 1 mb
With This Hydraulic Schematic The Technician can solve any Hydraulic problem encountered in the operation of your Bomag Road Roller Models of :
BW 125 ADH / BW 135 AD
BW 138 AD / BW 138 AC
[This diagram is very clear and it is printable version]



