Package include
Bomag BW177D-4 Service Training Manual
Language
English
Format
PDF
Total Number of pages
113
Publication Number
008 099 90 [06.2004]
Compatible
All windows and mac systems
Additional Requirement
User needs to Install PDF Reader Software
Shipping Policy
Download link by high speed web server Total Download size 7 mb
TO CONFIRM IS THIS SERVICE MANUAL COMPATIBLE WITH YOUR MACHINE MODEL PLEASE DOWNLOAD SAMPLE
[the_ad id=”23726″]
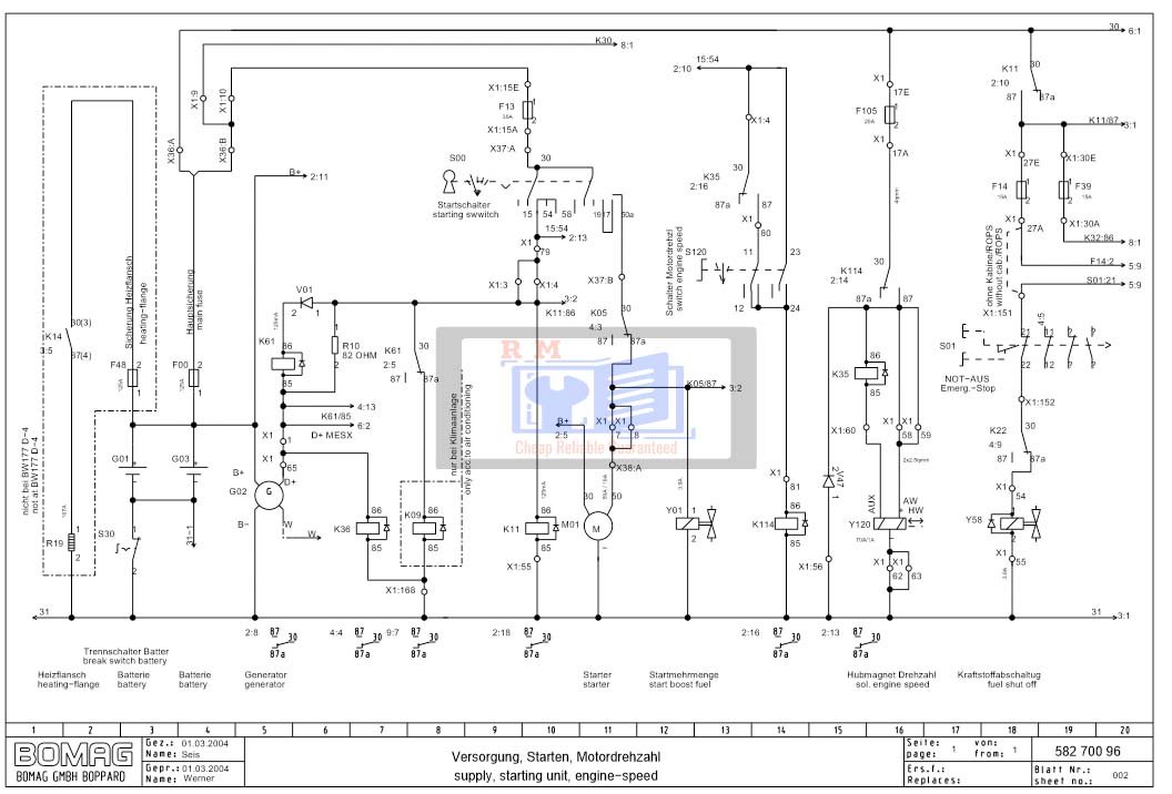
The Bomag BW177D-4 Service Training Manual is a comprehensive guide designed to support technicians and service personnel in the maintenance, troubleshooting, and repair of the Bomag BW177D-4 single drum roller. This official manual provides in-depth training material that covers mechanical, hydraulic, and electrical systems, ensuring efficient and effective servicing of the machine.
Key Features:
-
Detailed System Overviews – Covers engine, transmission, braking, and vibration systems with easy-to-understand diagrams.
-
Troubleshooting Procedures – Step-by-step instructions for identifying and resolving common faults.
-
Maintenance Guidelines – Recommended service intervals and procedures to maximize machine lifespan and performance.
-
Technical Specifications – Complete specs including torque settings, fluid capacities, and wiring diagrams.
-
Visual Aids – Illustrated components and schematics for clear comprehension.
Ideal for workshops, training centers, and field service teams, this manual is an essential resource for anyone working on the BW177D-4 model. Ensure your team is equipped with the knowledge to keep machines running safely and efficiently







