Package include
Caterpillar 320C 330C Excavator Hydraulic & Electrical Full Diagrams
Language
English
Format
PDF
Total Number of pages
4
Publication Number
RENR3819-07,RENR7090-02
Compatible
All windows and mac systems
Additional Requirement
User needs to Install PDF Reader Software
Shipping Policy
Download link by high speed web server Total Download size 2 mb
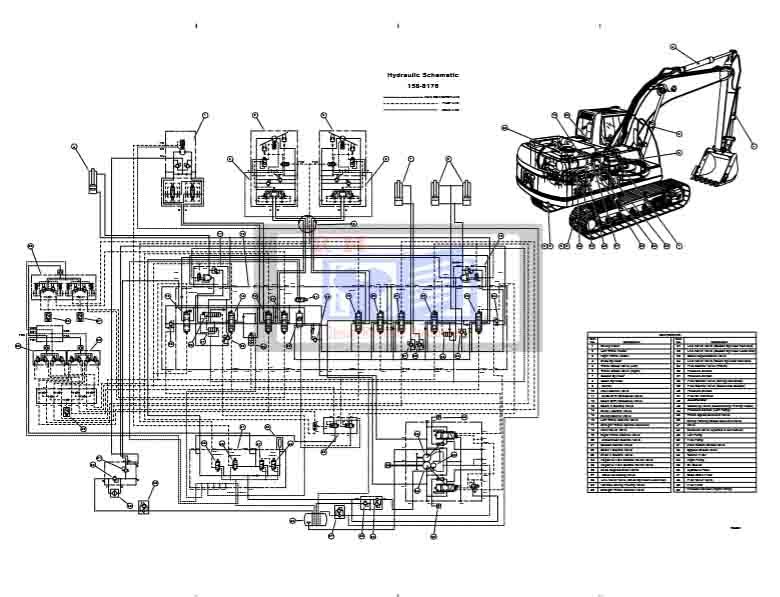
The Caterpillar 320C and 330C Excavator Hydraulic & Electrical Full Diagrams Manual is a complete reference guide designed for technicians, mechanics, and service professionals working on these powerful CAT excavators. This manual provides detailed schematics for both hydraulic and electrical systems, enabling precise diagnostics, repairs, and system understanding.
Key Features:
-
Complete Hydraulic Schematics – Full system layouts including pumps, valves, cylinders, pilot lines, and control circuits.
-
Detailed Electrical Diagrams – Covers wiring routes, connectors, grounding points, relays, switches, and sensor integration.
-
OEM-Accurate Information – Designed to Caterpillar specifications to ensure accuracy and compatibility.
-
Troubleshooting Made Easy – Schematics include component labels and flow paths for efficient fault identification and repair planning.
-
Model-Specific Coverage – Tailored specifically to CAT 320C and 330C models for precise and reliable service guidance.
Perfect for repair shops, field service teams, and equipment owners, this manual is essential for anyone maintaining or diagnosing the hydraulic and electrical systems of Caterpillar 320C and 330C excavators.



