Package Include
Caterpillar TL642 , TL943 Telehandlers Service Repair Manual
Language
English
Format
PDF
Total Number of pages
197
Publication Number
31200292
Compatible
All windows and mac systems
Additional Requirement
User needs to Install PDF Reader Software
Shipping Policy
Download link by high speed web server Total Download size 13 mb
Overview
With This Original Factory Service Repair Manual The Technician can Find and Solve any problems encountered in the operation of your Caterpillar Telehandler Models of :
Caterpillar TL642 , TL943 Telehandlers
[S/N TBK00100 & After]
[S/N TBL00100 & After]
The Factory was highly recommended use this manual for Technicians before you touch your Caterpillar Machine
This manual contains original instructions, verified by the manufacturer (or their authorized representative)
This Original factory pdf manual and pdf service Manual very clear and it is 100% printable version, contains with high quality images and circuit diagrams
The Caterpillar TL642 and TL943 Telehandlers Service Repair Manual is an essential resource for maintaining and repairing your telehandler efficiently. This comprehensive guide provides detailed instructions, diagrams, and troubleshooting tips, ensuring that you can tackle any service issue with confidence. With this manual, you can extend the lifespan of your equipment, reduce downtime, and enhance overall performance, making it a valuable investment for any operator or technician
Contents Of this pdf manual
Safety Practices
Introduction
Disclaimer
Operation & Maintenance Manual
Do Not Operate Tags
Safety Information
Safety Instructions
Safety Decals
General Information and Specifications
Replacement Parts and Warranty Information
Torque Charts
Specifications
Fluids and Lubricant Capacities
Service and Maintenance Schedules
Lubrication Schedules
Boom
Boom System Component Terminology
Boom System – Three Section
Boom Assembly Maintenance
Complete Boom Removal/Installation
Boom Section Removal/Installation
Extend/Retract Chain Removal/Installation
Push Beam – Extend/Retract Cylinder Removal/Installation
Boom Section Separation Adjustment
Quick Coupler Assembly
Boom Head – Mounted Winch
Boom Wear Pads
Boom Extend and Retract Chains
Forks
Troubleshooting
Push Beam Temporary Brackets
Cab and Covers
Operator Cab and Covers Component Terminology
Operator Cab
Cab Components
Cab Removal
Cab Installation
Axles, Drive Shafts, Wheels and Tires
Axles, Drive Shafts, Wheels and Tires Component Terminology
General Information
Axle Assemblies
Drive Shafts
Wheels and Tires
Brakes
Towing a Disabled machine
Transmission
Transmission Assembly Component Terminology
Transmission Serial Number
Transmission Specifications and Maintenance Information
Transmission Replacement
Torque Convertor Diaphragm
Troubleshooting
Engine
Introduction
Engine Serial Number
Specifications and Maintenance Information
Engine Cooling System
Engine Electrical System
Fuel System
Engine Exhaust System
Air Cleaner Assembly
Engine Replacement
Engine Drive Plate
Troubleshooting
Cab and Covers
Operator Cab and Covers Component Terminology
Operator Cab
Cab Components
Cab Removal
Cab Installation
Axles, Drive Shafts, Wheels and Tires
Axles, Drive Shafts, Wheels and Tires Component Terminology
General Information
Axle Assemblies
Drive Shafts
Wheels and Tires
Brakes
Towing a Disabled machine
Transmission
Transmission Assembly Component Terminology
Transmission Serial Number
Transmission Specifications and Maintenance Information
Transmission Replacement
Torque Convertor Diaphragm
Troubleshooting
Engine
Introduction
Engine Serial Number
Specifications and Maintenance Information
Engine Cooling System
Engine Electrical System
Fuel System
Engine Exhaust System
Air Cleaner Assembly
Engine Replacement
Engine Drive Plate
Troubleshooting
Hydraulic System
Hydraulic Component Terminology
Safety Information
Hydraulic Pressure Diagnosis
Hydraulic Circuits
Hydraulic Reservoir
Engine Implement Pump
Control Valves
Hydraulic Cylinders
Electrical System
Electrical Component Terminology
Specifications
Safety Information
Fuses and Relays
Electrical System Schematics
Circuit Breakdowns
Engine Start Circuit
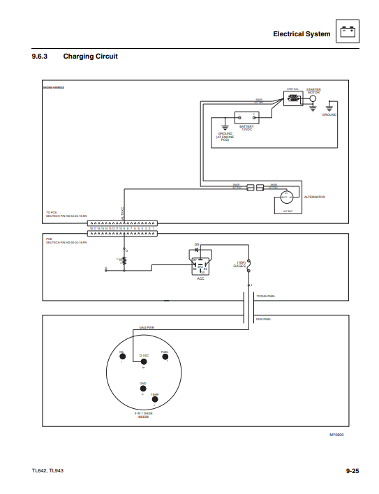
Charging Circuit
Window Wiper/Washer Windshield Wiper Motor
Cab Heater/AC and Fan
Switches, Solenoids and Senders
Gauges and Display Monitor
Dash Switches
Hand Held Analyzer (S/N TBL01599 & After including TBL01551 & TBL01585)
Engine Diagnostic and Event Codes (S/N TBK01167 & After including TBK01162;
S/N TBL01599 & After including TBL01551 & TBL01585





