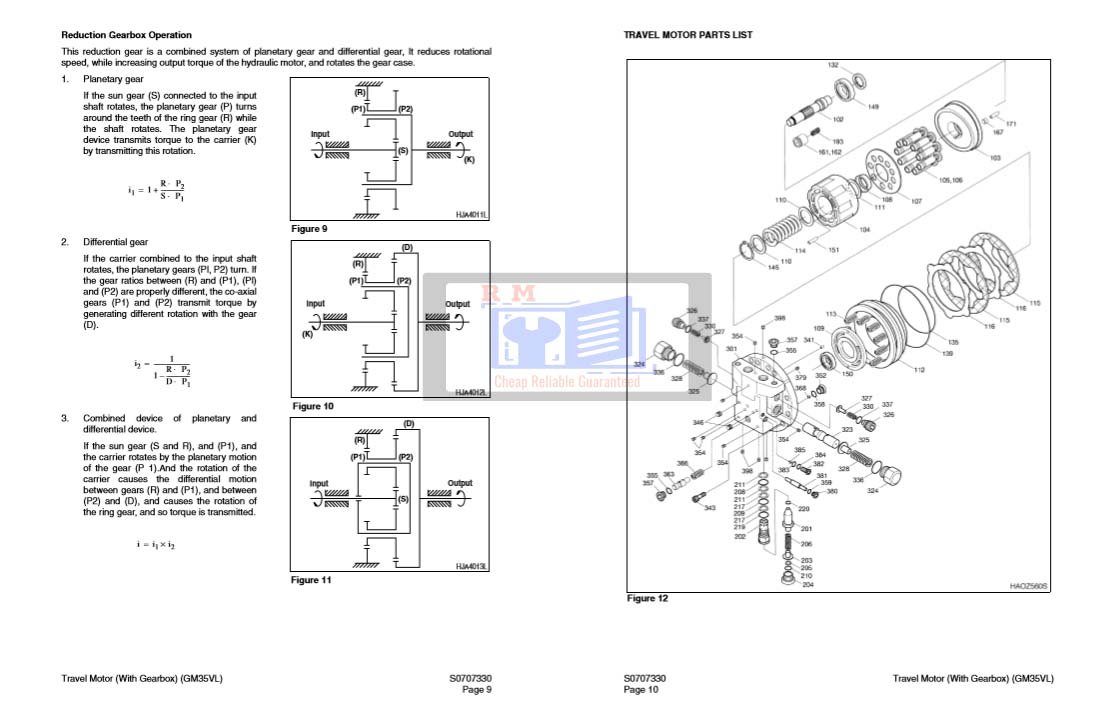
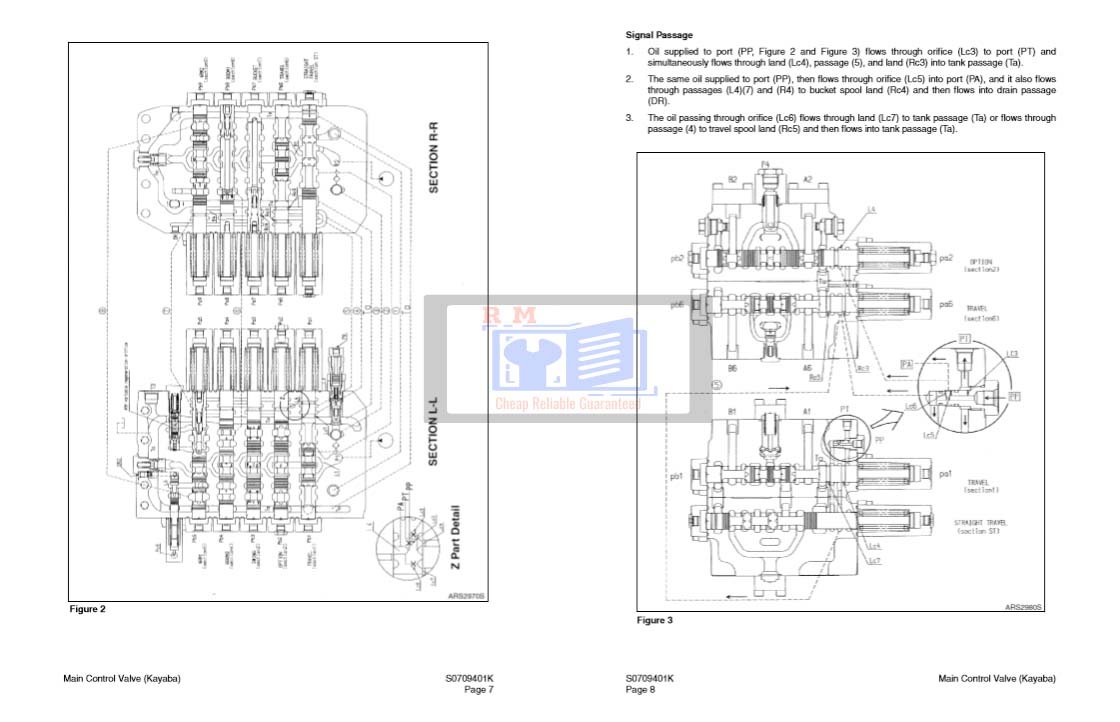
Daewoo Solar 130 to 470 LC-V Excavator Workshop Manual

Guaranteed Safe Checkout

$10.00

83 people bought this product
Before purchasing the entire pdf handbook, Please GET SAMPLE PREVIEW of this pdf manual and ensure it is suitable with your model

Package Include
Daewoo Solar 130 to 470 LC-V Excavator Workshop Manual

Language
English

Format
PDF

Total Number of pages
670

Publication Number
023-00058E

Compatible
All windows and mac systems

Additional Requirement
User needs to Install PDF Reader Software

Shipping Policy
Download link by high speed web server Total Download size 38 mb

Compatible Machine Models and Serial Numbers

Daewoo Solar 130LC-V [Serial Number 0001 and Up]
Daewoo Solar 170LC-V [Serial Number 1001 and Up]
Daewoo Solar 220LC-V [Serial Number 0001 and Up]
Daewoo Solar 220N-V [Serial Number 1001 and Up]
Daewoo Solar 225LC-V [Serial Number 1001 and Up]
Daewoo Solar 225NLC-V [Serial Number 1001 and Up]
Daewoo Solar 250LC-V [Serial Number 1001 and Up]
Daewoo Solar 255LC-V [Serial Number 1001 and Up]
Daewoo Solar 290LC-V [Serial Number 0001 and Up]
Daewoo Solar 300LC-V [Serial Number 1001 and Up]
Daewoo Solar 300LL [Serial Number 1001 and Up]
Daewoo Solar 330LC-V [Serial Number 1001 and Up]
Daewoo Solar 340LC-V [Serial Number 1001 and Up]
Daewoo Solar 400LC-V [Serial Number 1001 and Up]
Daewoo Solar 420LC-V [Serial Number 1001 and Up]
Daewoo Solar 450LC-V [Serial Number 1001 and Up]
Daewoo Solar 470LC-V [Serial Number 1001 and Up]

𝙊𝙫𝙚𝙧 25 𝙮𝙚𝙖𝙧𝙨 𝙤𝙛 𝙨𝙚𝙧𝙫𝙞𝙘𝙚 𝙬𝙞𝙩𝙝 𝙖 100% 𝙨𝙖𝙩𝙞𝙨𝙛𝙖𝙘𝙩𝙞𝙤𝙣 𝙜𝙪𝙖𝙧𝙖𝙣𝙩𝙚𝙚

Concerning ourselves and our vision  100% customer satisfaction, after-sale support, and maintaining contact with our regular clients are our goals.

Until you download it and save it in a secure location Since we sincerely care about you and try our best to accommodate your demands, your feedback is essential to our efforts to improve our services.

What we provide to our clients  Original factory service manuals, repair manuals, workshop manuals, parts manuals, technical manuals, operator’s manuals, owner manuals, electrical diagrams, hydraulic diagrams, and many other instructions for the heavy mechanic industry are available here.

𝙾𝚟𝚎𝚛 𝟑𝟻,𝟶𝟶𝟶 𝚌𝚞𝚜𝚝𝚘𝚖𝚎𝚛𝚜 𝚑𝚊𝚟𝚎 𝚏𝚊𝚒𝚝𝚑 𝚒𝚗 𝚘𝚞𝚛 𝚜𝚎𝚛𝚟𝚒𝚌𝚎. 𝚆𝚎 𝚟𝚊𝚕𝚞𝚎 𝚢𝚘𝚞𝚛 𝚋𝚞𝚜𝚒𝚗𝚎𝚜𝚜 𝚊𝚗𝚍 𝚊𝚛𝚎 𝚐𝚛𝚊𝚝𝚎𝚏𝚞𝚕 𝚝𝚑𝚊𝚝 𝚢𝚘𝚞 𝚑𝚊𝚟𝚎 𝚌𝚑𝚘𝚜𝚎𝚗  𝚠𝚠𝚠.𝚛𝚎𝚙𝚊𝚒𝚛-𝚖𝚊𝚗𝚞𝚊𝚕𝚜.𝚌𝚘𝚖

the Daewoo Solar 130 to 470 LC-V Excavator workshop manual, showcasing detailed repair and maintenance informationDaewoo Solar 130 to 470 LC-V Excavator Workshop Manual
$10.00 83 people bought this product
Scroll to Top