Package Include
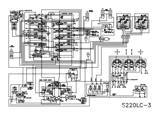
Daewoo S220LC-3 Excavator Electrical Diagram
Language
English
Format
PDF
Total Number of pages
1
Publication Number
WCLA-0445-LX
Compatible
All windows and mac systems
Additional Requirement
User needs to Install PDF Reader Software
Shipping Policy
Download link by high speed web server Total Download size 1 mb
Compatible With :
Daewoo S220LC-3 Excavator
The Daewoo S220LC-3 Excavator Electrical Diagram is an essential resource for professionals seeking to enhance their understanding of the machine’s electrical systems. This detailed diagram provides clear and precise illustrations, enabling efficient troubleshooting and maintenance. With its user-friendly layout, it simplifies complex wiring configurations, ensuring that technicians can quickly identify components and connections. Invest in this invaluable tool to streamline your repair processes and maximize the performance of your excavator


