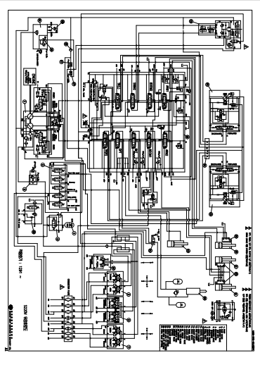
Daewoo S220LC-5 Excavator Electrical Diagram

Guaranteed Safe Checkout

$9.99

Compatible With : Daewoo S220LC-5 Excavator


 

Product Code DWO 0006 [ After payment, this Code helps to receive correct download password to your Account Dashboard ]

Package Include
Daewoo S220LC-5 Excavator Electrical Diagram

Language
English

Format
PDF

Total Number of pages
1

Compatible
All windows and mac systems

Additional Requirement
User needs to Install PDF Reader Software

Shipping Policy
Download link by high speed web server Total Download size 1 mb

Compatible With : Daewoo S220LC-5 Excavator

Daewoo S220LC-5 Excavator Electrical DiagramDaewoo S220LC-5 Excavator Electrical Diagram
$9.99
Scroll to Top