Package Include
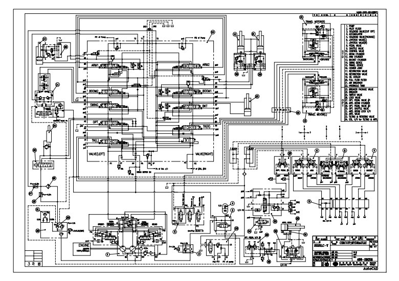
Daewoo Solar 225LC-V Electrical & Hydraulic Diagrams
Language
English
Format
PDF
Total Number of pages
3
Compatible
All windows and mac systems
Additional Requirement
User needs to Install PDF Reader Software
Shipping Policy
Download link by high speed web server Total Download size 3 mb
Compatible With : Daewoo Solar 225LC-V Excavator
The Daewoo Solar 225LC-V Electrical & Hydraulic Diagrams provide essential insights for efficient maintenance and troubleshooting of your machinery. Designed for professionals, these diagrams offer clear and detailed representations of electrical and hydraulic systems, ensuring you can quickly identify issues and implement solutions. Enhance your operational efficiency and reduce downtime with this indispensable resource, tailored specifically for the Daewoo Solar 225LC-V model


