Package Include
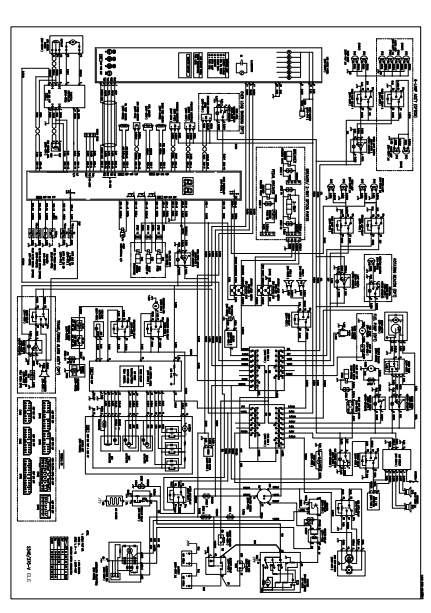
Daewoo Solar 340LC-V, 370LC-V Electrical Diagram
Language
English
Format
PDF
Total Number of pages
1
Compatible
All windows and mac systems
Additional Requirement
User needs to Install PDF Reader Software
Shipping Policy
Download link by high speed web server Total Download size 2 mb
Compatible With : Daewoo Solar 340LC-V Excavator , Daewoo Solar 370LC-V Excavator
Discover the Daewoo Solar 340LC-V and 370LC-V Electrical Diagram, an essential resource for professionals seeking to enhance their understanding of these advanced excavators. This detailed diagram provides clear and precise electrical schematics, ensuring efficient troubleshooting and maintenance. With its user-friendly layout, it simplifies complex electrical systems, making it easier for technicians to identify issues and implement solutions swiftly. Invest in this invaluable tool to optimize your equipment’s performance and extend its lifespan


