Package Include
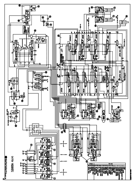
Daewoo Solar 470LC-V Excavator Hydraulic Diagram
Language
English
Format
PDF
Total Number of pages
1
Compatible
All windows and mac systems
Additional Requirement
User needs to Install PDF Reader Software
Shipping Policy
Download link by high speed web server Total Download size 2 mb
Compatible With : Daewoo Solar 470LC-V Excavator
The Daewoo Solar 470LC-V Excavator Hydraulic Diagram is an essential resource for professionals seeking to optimize their machinery’s performance. This detailed diagram provides clear and precise illustrations of the hydraulic system, enabling efficient troubleshooting and maintenance. With its user-friendly layout, operators can easily identify components and understand their functions, ensuring that your excavator operates at peak efficiency. Invest in this diagram to enhance your operational capabilities and prolong the lifespan of your equipment


