Package Include
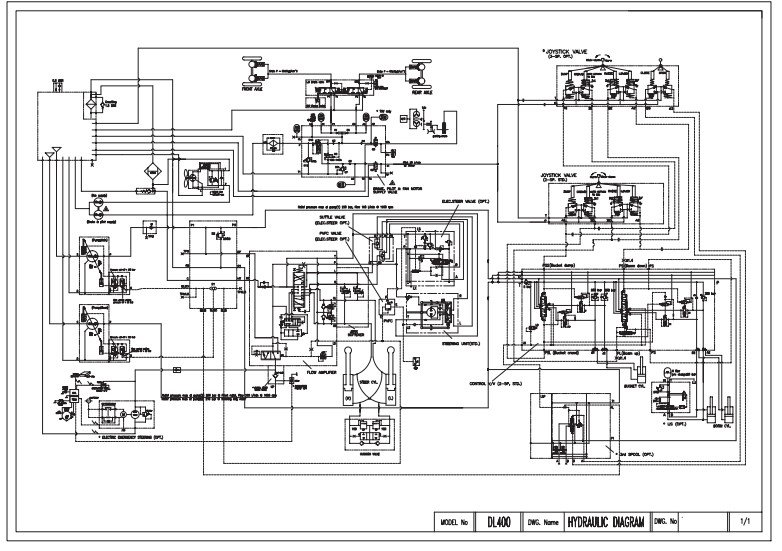
Doosan DL400 Wheel Loader Workshop Manual And Diagrams
Language
English
Format
PDF
Total Number of pages
1085
Publication Number
K1010635E
Compatible
All windows and mac systems
Additional Requirement
User needs to Install PDF Reader Software
Shipping Policy, Instant download, No waiting
Download link by high speed web server Total Download size 124 mb
With This Original Factory Workshop Manual And Diagrams The Technician can Find and Solve any problems encountered in the operation of your Doosan Wheel Loader Models of :
Doosan DL400 Wheel Loader
This Service Repair Manual offers all the service and repair information
Why This Manual
Same manual used by certified Doosan technicians
Fully searchable and printable PDF
No shipping delay – start repairs immediately
Save time & money on shop visits
Ideal For:
-
Professional mechanics
-
Equipment technicians
-
DIY owners and operators
-
Case dealership service departments
Whether you’re performing a quick service or a complete overhaul, this manual is your essential companion for maximizing the performance and longevity of your Doosan DL400 Wheel Loader








