Package Include
Doosan DL420A Wheel Loader Workshop Repair Manual
Language
English
Format
PDF
Total Number of pages
832
Publication Number
950106-00817E (June 2012)
Compatible
All windows and mac systems
Additional Requirement
User needs to Install PDF Reader Software
Shipping Policy
Download link by high speed web server Total Download size 161 mb
Overview
With This Original Factory Workshop Repair Manual The Technician can Find and Solve any problems encountered in the operation of your Doosan Wheel Loader Models of :
Doosan DL420A Wheel Loader [Serial Number 10001 and Up]
The Factory was highly recommended use this manual for Technicians before you touch your Doosan Machines
This is Original factory pdf manual and This pdf Workshop Manual very clear and it is 100% printable version, contains with high quality images and circuit diagrams
The Doosan DL420A Wheel Loader Workshop Repair Manual is an essential resource for any technician or DIY enthusiast looking to maintain and repair their equipment efficiently. This comprehensive manual provides detailed instructions, diagrams, and specifications, ensuring that you have all the information needed to troubleshoot and resolve issues effectively. With its user-friendly layout, you can quickly locate the necessary procedures, saving you time and enhancing the longevity of your wheel loader. Invest in this manual to ensure optimal performance and reliability of your Doosan DL420A
Table of Contents of Workshop Manual
Wheel Loader Safety
Specification for DL420A
eneral Maintenance
General Maintenance Instructions
Standard Torques
Drivetrain
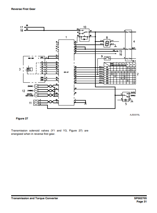
Transmission and Torque Converter
Transmission Error Codes (ZF)
Front Axle (ZF-MT-L 3105 II)
Rear Axle (ZF-MT-L 3095 II)
Driveshaft
Brake
Service Brake
Brake Supply Valve
Parking Brake
Brake Pedal Valve
Accumulator
Steering
Power Steering System
Steering Unit
Flow Amplifier
Emergency Steering
Frame
Articulation Center
Counterweight
Tank
Oil Tank
Fuel Tank
Hydraulics
Cylinders
Main Pump
Main Control Valve
Load Isolation System
Fan Drive Hydraulic Motor
Unloader Valve
Pilot System
Hydraulic Schematic DL420A
Electrical System
Air Conditioner
Electrical System
Electrical Schematic (DL420A)






