Doosan DX340LC Electrical & Hydraulic Diagrams

Guaranteed Safe Checkout

$10.00

21 people bought this product

Package Include
Doosan DX340LC Electrical & Hydraulic Digrams

Language
English

Format
PDF

Total Number of pages
3

Compatible
All windows and mac systems

Additional Requirement
User needs to Install PDF Reader Software

Shipping Policy
Download link by high speed web server Total Download size 5 mb

Overview
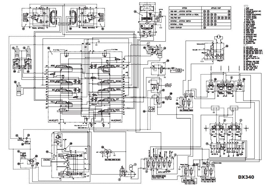
With This Original factory Diagrams The Technician can solve any problems encountered in the operation of Electrical & Hydraulic circuit system of your Doosan Excavator Models of :

Doosan DX340LC Excavator

The Doosan DX340LC Electrical & Hydraulic Diagrams provide essential insights for maintenance and troubleshooting, ensuring optimal performance of your machinery. These comprehensive diagrams are meticulously designed to facilitate quick reference and understanding of the electrical and hydraulic systems, enhancing efficiency and reducing downtime. Ideal for technicians and operators alike, this resource is a must-have for anyone looking to maintain the reliability and longevity of their Doosan equipment

๐™Š๐™ซ๐™š๐™ง 25 ๐™ฎ๐™š๐™–๐™ง๐™จ ๐™ค๐™› ๐™จ๐™š๐™ง๐™ซ๐™ž๐™˜๐™š ๐™ฌ๐™ž๐™ฉ๐™ ๐™– 100% ๐™จ๐™–๐™ฉ๐™ž๐™จ๐™›๐™–๐™˜๐™ฉ๐™ž๐™ค๐™ฃ ๐™œ๐™ช๐™–๐™ง๐™–๐™ฃ๐™ฉ๐™š๐™š

Concerning ourselves and our visionย  100% customer satisfaction, after-sale support, and maintaining contact with our regular clients are our goals.

Until you download it and save it in a secure location Since we sincerely care about you and try our best to accommodate your demands, your feedback is essential to our efforts to improve our services.

What we provide to our clientsย ย Original factory service manuals, repair manuals, workshop manuals, parts manuals, technical manuals, operatorโ€™s manuals, owner manuals, electrical diagrams, hydraulic diagrams, and many other instructions for the heavy mechanic industry are available here.

๐™พ๐šŸ๐šŽ๐š› ๐Ÿ‘๐Ÿป,๐Ÿถ๐Ÿถ๐Ÿถ ๐šŒ๐šž๐šœ๐š๐š˜๐š–๐šŽ๐š›๐šœ ๐š‘๐šŠ๐šŸ๐šŽ ๐š๐šŠ๐š’๐š๐š‘ ๐š’๐š— ๐š˜๐šž๐š› ๐šœ๐šŽ๐š›๐šŸ๐š’๐šŒ๐šŽ๏ผŽ ๐š†๐šŽ ๐šŸ๐šŠ๐š•๐šž๐šŽ ๐šข๐š˜๐šž๐š› ๐š‹๐šž๐šœ๐š’๐š—๐šŽ๐šœ๐šœ ๐šŠ๐š—๐š ๐šŠ๐š›๐šŽ ๐š๐š›๐šŠ๐š๐šŽ๐š๐šž๐š• ๐š๐š‘๐šŠ๐š ๐šข๐š˜๐šž ๐š‘๐šŠ๐šŸ๐šŽ ๐šŒ๐š‘๐š˜๐šœ๐šŽ๐š—ย  ๐š ๐š ๐š .๐š›๐šŽ๐š™๐šŠ๐š’๐š›-๐š–๐šŠ๐š—๐šž๐šŠ๐š•๐šœ.๐šŒ๐š˜๐š–

Diagrams illustrating the electrical and hydraulic systems of the Doosan DX340LC excavator for technical referenceDoosan DX340LC Electrical & Hydraulic Diagrams
$10.00 21 people bought this product
Scroll to Top