Package Include
Doosan DX420LC Excavator Workshop Manual & Diagrams
Language
English
Format
PDF
Total Number of pages
900
Publication Number
K1009096E
Compatible
All windows and mac systems
Additional Requirement
User needs to Install PDF Reader Software
Shipping Policy
Download link by high speed web server Total Download size 70 mb
Overview
With This Original Factory Service Repair Manual The Technician can Find and Solve any problems encountered in the operation of your Doosan Excavator Models of :
Doosan DX420LC Excavator [S.N 5001 and Up]
The Factory was highly recommended use this manual for Technicians before you touch your Doosan Machines
Original factory pdf manual and pdf service Manual very clear and it is 100% printable version, contains with high quality images and circuit diagrams
Table of Contents of Workshop Manual
Track Excavator Safety
Specifications
Specification for DX340LC
General Maintenance
General Maintenance Procedures
Standard Torques
Upper Structure
Cabin .
Counterweight
Fuel Tank
Swing Bearing
Swing Reduction Gear
Lower Structure and Chassis
Track Assembly
Air Conditioner
Engine and Drive Train
Drive Coupling (Main Pump)
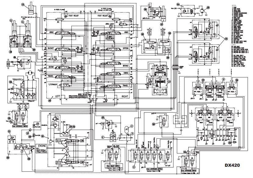
Hydraulics
Hydraulic System Troubleshooting, Testing and Adjustment
Accumulator
Center Joint (Swivel)
Cylinders
Swing Motor
Travel Motor
Main Pump
Gear Pump
Main Control Valve
Remote Control Valve (Work Lever / Joystick)
Travel Control Valve (With Damper)
Breaker EPPR Valve (Opt)
Hydraulic Schematic
Electrical System
Electrical System
Electrical Schematic
Attachments
Boom and Arm
Bucket






