Package Include
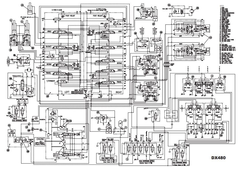
Doosan DX480LC, DX520LC Excavator Electrical & Hydraulic Diagrams
Language
English
Format
PDF
Total Number of pages
2
Compatible
All windows and mac systems
Additional Requirement
User needs to Install PDF Reader Software
Shipping Policy
Download link by high speed web server Total Download size 5 mb
Overview
With This Original Factory Diagrams The Technician can solve any problems encountered in the operation of Electrical & Hydraulic System of your Doosan Excavator Models of :
DX300LC Excavator [ S.N 5001 and Up ]
This is true Electronic pdf copy with contains high quality images, not scanned version and this pdf manual 100% printable version
Enhance your maintenance and repair capabilities with the Doosan DX480LC and DX520LC Excavator Electrical & Hydraulic Diagrams. This comprehensive guide provides detailed schematics that simplify troubleshooting and ensure efficient operation of your excavator. With clear illustrations and precise information, you can easily navigate the electrical and hydraulic systems, reducing downtime and improving productivity on the job site. Invest in this essential resource to keep your equipment running smoothly and effectively



