Package Include
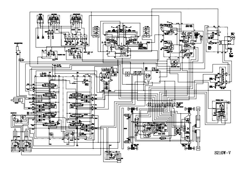
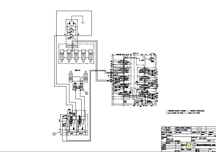
Doosan Solar 210W-V Electrical & Hydraulic Diagrams
Language
English
Format
PDF
Total Number of pages
2
Compatible
All windows and mac systems
Additional Requirement
User needs to Install PDF Reader Software
Shipping Policy
Download link by high speed web server Total Download size 4 mb
Overview
With This Original Factory Electrical & Hydraulic Diagrams Manuals The Technician can Find and Solve any problems encountered in the Electrical & Hydraulic system of your Doosan Excavator Models of :
Doosan Solar 210W-V Excavator [S.N 1001 and Up]
The Factory was highly recommended use this manual for Technicians before you touch your Doosan Machine Electrical and Hydraulic system
This is Original factory pdf Electrical & Hydraulic Diagrams, This pdf Electrical & Hydraulic Diagrams very clear and it is 100% printable version, contains with high quality images
The Doosan Solar 210W-V Electrical & Hydraulic Diagrams provide essential insights for efficient operation and maintenance of your equipment. Designed for clarity and precision, these diagrams facilitate quick troubleshooting and enhance understanding of complex systems. With detailed illustrations and comprehensive annotations, users can easily navigate electrical and hydraulic components, ensuring optimal performance and longevity of your machinery. Invest in this invaluable resource to streamline your workflow and minimize downtime



