Package Include
Jungheinrich EFG-DF 13, EFG-DF 16L, EFG-DF 18L, EFG-DF 20 Service Repair Manual
Language
English
Format
PDF
Total Number of pages
278
Publication Number
Edition 1998-2003 year
Compatible
All windows and mac systems
Additional Requirement
User needs to Install PDF Reader Software
Shipping Policy
Download link by high speed web server Total Download size 28 mb
Overview
With This Original Factory Service Repair Manual The Technician can Find and Solve any problems encountered in the operation of your Jungheinrich Forklift Models of :
ELECTRICAL FORKLIFT
EFG-DF 13
EFG-DF 16/L
EFG-DF 18/L
EFG-DF 20
The Factory was highly recommended use this manual for Technicians before you touch your Jungheinrich Forklift
This manual contains original instructions, verified by the manufacturer (or their authorized representative)
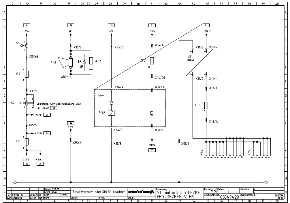
This Original factory pdf manual and pdf service Manual very clear and it is 100% printable version, contains with high quality images and circuit diagrams
Ensure the longevity and optimal performance of your Jungheinrich EFG-DF series forklifts with the comprehensive Service Repair Manual for models EFG-DF 13, EFG-DF 16L, EFG-DF 18L, and EFG-DF 20. This manual provides detailed instructions, troubleshooting tips, and maintenance guidelines, empowering you to efficiently address repairs and service needs. With clear diagrams and step-by-step procedures, you can minimize downtime and enhance productivity, making it an essential resource for any warehouse or logistics operation. Invest in your equipment’s reliability and keep your operations running smoothly with this indispensable manual





