Package Include
Hitachi AH350D , AH400D Articulated Dump Truck Technical Manual
Language
English
Format
PDF
Total Number of pages
762
Publication Number
KM-8TG-E
Compatible
All windows and mac systems
Additional Requirement
User needs to Install PDF Reader Software
Shipping Policy
Download link by high speed web server Total Download size 15 mb
Compatible Articulated Dump Truck Models
Hitachi AH350D Articulated Dump Truck
Hitachi AH400D Articulated Dump Truck
This comprehensive Technical Manual is an essential resource for service technicians, mechanics, and fleet managers responsible for the maintenance and repair of the Hitachi AH350D and AH400D Articulated Dump Trucks. It provides detailed technical information, specifications, procedures, and diagnostic guidelines needed to ensure peak performance and long-term reliability of these heavy-duty machines.
Key Features:
-
Model Coverage: Hitachi AH350D & AH400D Articulated Dump Trucks
-
Content Type: Factory Original Technical Manual / Service Manual
-
Format: Digital PDF or Print (depending on supplier)
-
Language: English
Includes Detailed Information On:
-
Technical specifications and capacities
-
Hydraulic system operation and testing
-
Transmission, differential, and drivetrain service procedures
-
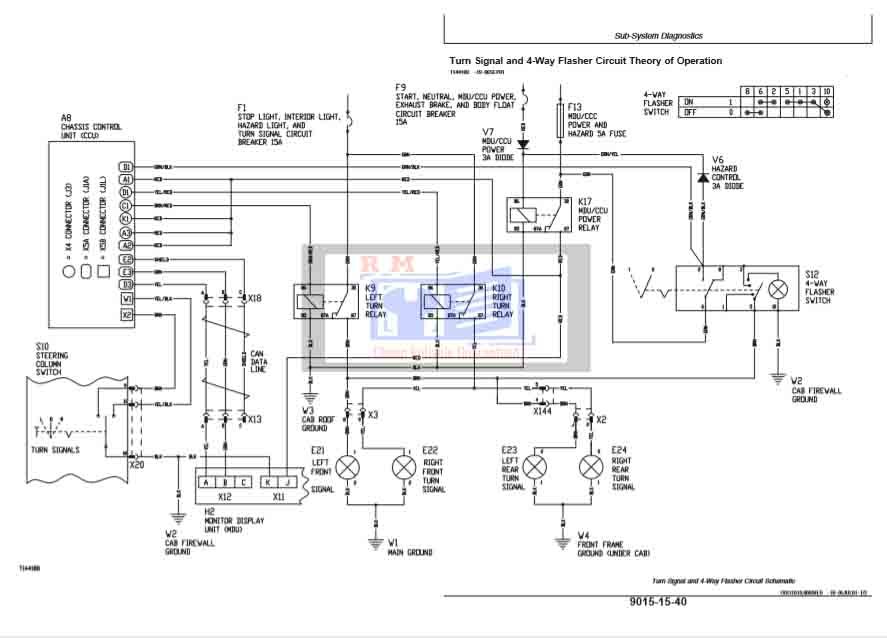
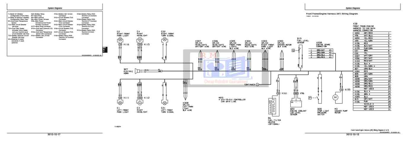
Electrical system diagrams and troubleshooting
-
Engine and fuel system diagnostics
-
Cab and chassis maintenance
-
Scheduled service intervals and recommended procedures
-
Safety instructions and torque specifications
Why Choose This Manual:
-
OEM-approved content—identical to what authorized Hitachi service centers use
-
Ideal for troubleshooting, overhauls, or routine maintenance
-
Clear diagrams and step-by-step instructions
-
Saves time and prevents costly errors
Whether you’re performing a complete overhaul or need to troubleshoot a specific issue, this manual is your trusted companion for keeping the Hitachi AH350D and AH400D operating at full capacity.





