Package Include
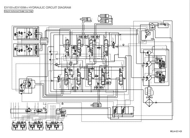
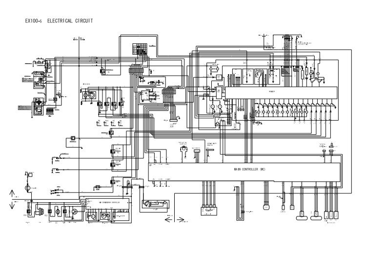
Hitachi EX100-5, EX100M-5, EX110M-5, EX100-5E Electrical & Hydraulic Diagrams
Language
English
Format
PDF
Total Number of pages
5
Compatible
All windows and mac systems
Additional Requirement
User needs to Install PDF Reader Software
Shipping Policy
Download link by high speed web server Total Download size 4 mb
Enhance your maintenance and repair capabilities with the Hitachi EX100-5, EX100M-5, EX110M-5, and EX100-5E Electrical & Hydraulic Diagrams. These comprehensive diagrams provide detailed schematics that simplify troubleshooting and ensure efficient operation of your machinery. Designed for professionals, they offer clear visual guidance to help you quickly identify issues and implement solutions, ultimately reducing downtime and increasing productivity. Invest in these essential resources to keep your Hitachi equipment running smoothly and effectively




