Package include
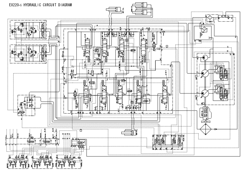
Hitachi EX220-5 Excavator Complete Hydraulic Circuit Diagram
Language
English
File Format
PDF
Total Number of pages
4
Compatible
Windows system / Mac system / Android / IOS
Additional Requirement
User needs to Install PDF Reader Software
Shipping Policy
Download link by high speed web server Total Download size 2 mb
Compatible Machine Model
Hitachi EX220-5 Excavator
This Diagrams is very clear and it is 100% printable version , contains with high quality images , This is True Electronic pdf copy, not scanned version
The Hitachi EX220-5 Excavator Complete Hydraulic Circuit Diagram is an essential resource for professionals in the construction and heavy machinery industry. This comprehensive diagram provides a detailed visual representation of the hydraulic system, showcasing the intricate network of components that power the EX220-5 excavator. With clear labeling and precise illustrations, users can easily identify each part, including pumps, valves, and hoses, facilitating efficient troubleshooting and maintenance. This diagram not only enhances understanding of the hydraulic operations but also aids in optimizing performance and extending the lifespan of the equipment. Whether you are a technician, operator, or engineer, having access to this complete hydraulic circuit diagram will empower you to ensure your Hitachi EX220-5 operates at peak efficiency, ultimately saving time and reducing operational costs


