Package include
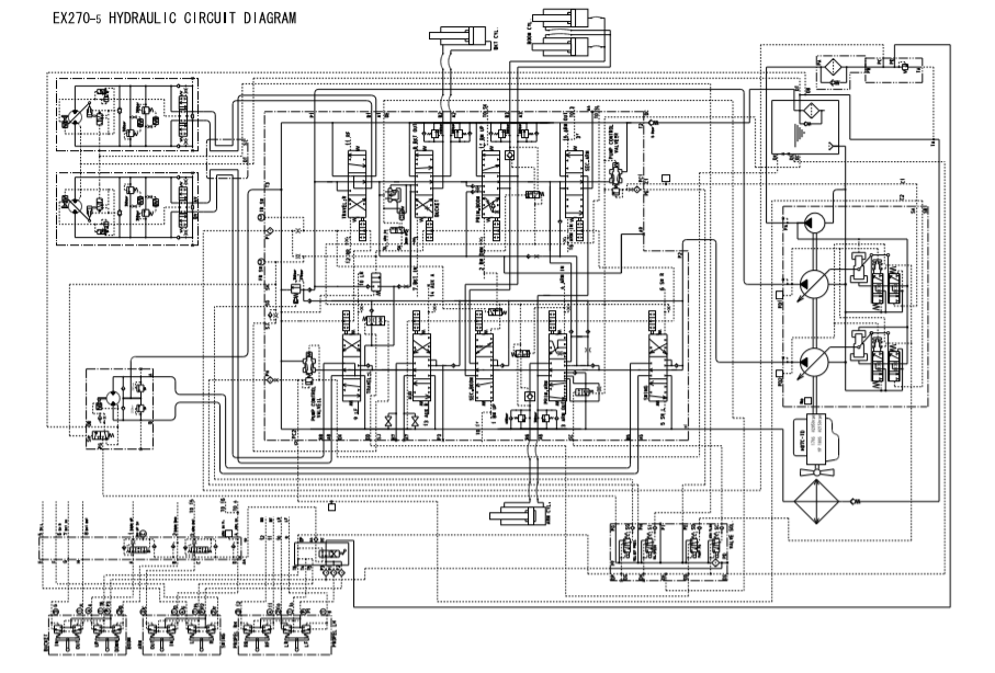
Hitachi EX270-5 Excavator Complete Hydraulic Circuit Diagram
Language
English
File Format
PDF
Total Number of pages
1
Compatible
Windows system / Mac system / Android / IOS
Additional Requirement
User needs to Install PDF Reader Software
Shipping Policy
Download link by high speed web server Total Download size 3 mb
Compatible Machine Model
Hitachi EX270-5 Excavator
This Diagrams is very clear and it is 100% printable version , contains with high quality images , This is True Electronic pdf copy, not scanned version
the full potential of your Hitachi EX270-5 Excavator with our Complete Hydraulic Circuit Diagram, meticulously designed to enhance your understanding and maintenance of this powerful machine. This comprehensive diagram provides a detailed visual representation of the hydraulic system, showcasing each component’s function and interconnections, ensuring you can troubleshoot and optimize performance with ease. Crafted for both seasoned professionals and those new to excavator maintenance, this diagram serves as an invaluable resource for ensuring efficient operation and longevity of your equipment. With clear labeling and precise illustrations, you can confidently navigate the complexities of the hydraulic circuit, making repairs and adjustments simpler and more effective. Invest in your machinery’s performance and reliability today with this essential tool for any Hitachi EX270-5 owner


