Package Include
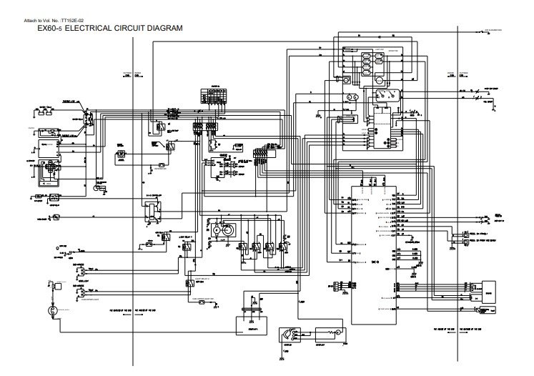
Hitachi EX60-5 Electrical & Hydraulic Diagrams
Language
English
Format
PDF
Total Number of pages
6
Publication Number
TT152E-02
Compatible
All windows and mac systems
Additional Requirement
User needs to Install PDF Reader Software
Shipping Policy
Download link by high speed web server Total Download size 2 mb
Enhance your maintenance and repair capabilities with the Hitachi EX60-5 Excavator Electrical & Hydraulic Diagrams. This comprehensive guide provides detailed schematics that simplify troubleshooting and ensure efficient operation of your excavator. With clear illustrations and precise information, you can easily navigate the electrical and hydraulic systems, saving time and reducing downtime. Invest in this essential resource to keep your machinery running smoothly and maximize productivity on the job site




