Package Include
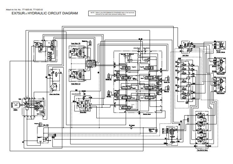
Hitachi EX75UR-3 , EX75URLC-3 Electrical & Hydraulic Diagrams
Language
English
Format
PDF
Total Number of pages
10
Publication Number
TT152E-02
TT192E-00
Compatible
All windows and mac systems
Additional Requirement
User needs to Install PDF Reader Software
Shipping Policy
Download link by high speed web server Total Download size 3 mb
Enhance your maintenance and repair capabilities with the Hitachi EX75UR-3 and EX75URLC-3 Electrical & Hydraulic Diagrams. These comprehensive diagrams provide detailed insights into the electrical and hydraulic systems of your machinery, ensuring you have the necessary information at your fingertips for efficient troubleshooting and repairs. Designed for professionals, these diagrams facilitate a deeper understanding of your equipment, ultimately leading to improved performance and reduced downtime. Invest in this essential resource to keep your Hitachi excavators operating at peak efficiency





