Package Include
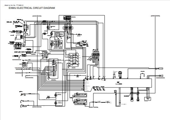
Hitachi EX80U Electrical & Hydraulic Diagrams
Language
English
Format
PDF
Total Number of pages
5
Publication Number
TT196E-01
Compatible
All windows and mac systems
Additional Requirement
User needs to Install PDF Reader Software
Shipping Policy
Download link by high speed web server Total Download size 2 mb
The Hitachi EX80U Excavator Electrical & Hydraulic Diagrams provide essential insights for maintenance and repair, ensuring optimal performance of your machinery. These detailed diagrams are designed to simplify troubleshooting and enhance understanding of the excavator’s systems, making it an invaluable resource for technicians and operators alike. Invest in this comprehensive guide to keep your Hitachi EX80U running smoothly and efficiently, minimizing downtime and maximizing productivity on the job site






