Package Include
Hitachi ZX140W-3 Workshop Manual and Diagrams
Language
English
Format
PDF
Total Number of pages
623
Publication Number
WCEB-E-00 [2007.08]
TTCEB-E-00
Compatible
All windows and mac systems
Additional Requirement
User needs to Install PDF Reader Software
Shipping Policy
Download link by high speed web server Total Download size 27 mb
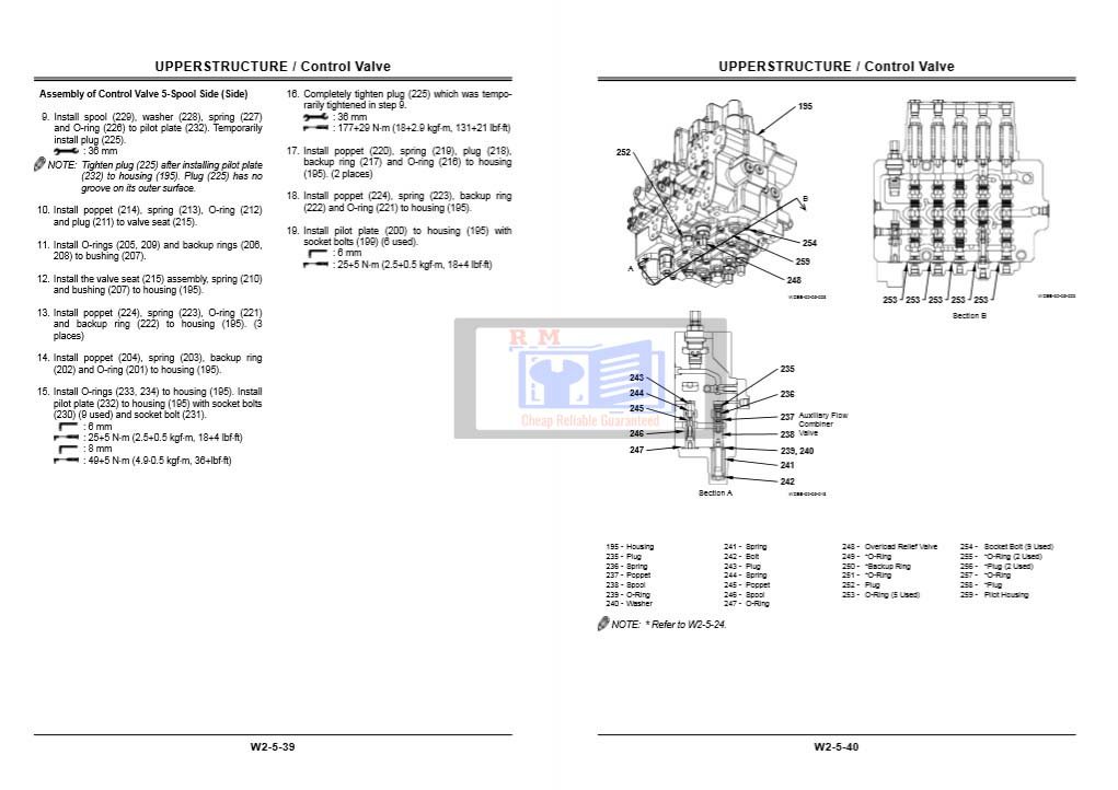
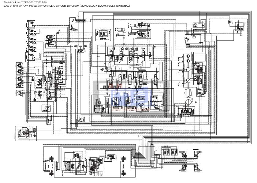
his is a complete, factory‑level service and repair manual package for the Hitachi ZX140W‑3 wheeled excavator, delivered in digital (PDF) format. The package includes the workshop manual plus detailed electrical wiring diagrams and hydraulic schematics. It is designed for mechanics, technicians, maintenance staff, or serious owners who require in‑depth technical documentation.
❓ Why This Manual
✔ Same manual used by certified New Holland technicians
✔ Fully searchable and printable PDF
✔ No shipping delay – start repairs immediately
✔ Save time & money on shop visits
👨🔧 Ideal For:
-
Professional mechanics
-
Equipment technicians
-
DIY owners and operators
-
Case dealership service departments
Whether you’re performing a quick service or a complete overhaul, this manual is your essential companion for maximizing the performance and longevity of your Hitachi ZX140W-3 Wheel Excavator







