Package Include
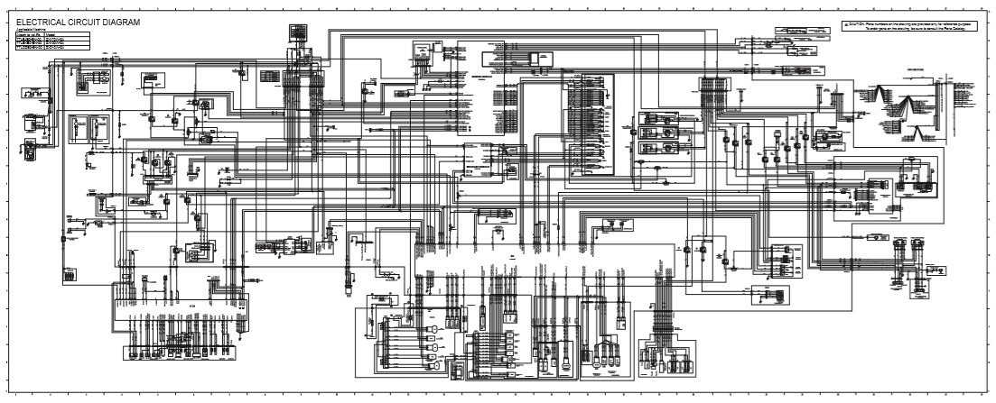
Hitachi ZX170W-5A Workshop Manual and Diagrams
Language
English
Format
PDF
Total Number of pages
760
Publication Number
WLBJE0-EN-00-1 [2018.05]
WLBJE0-EN-00-2 [2018.05]
Compatible
All windows and mac systems
Additional Requirement
User needs to Install PDF Reader Software
Shipping Policy
Download link by high speed web server Total Download size 68 mb
✅ Model Coverage: Hitachi ZX170W-5A Wheel Excavator
OEM Standard: Official Hitachi factory-issued documentation
The Hitachi ZX170W-5A Workshop Manual and Diagrams is the official OEM service guide, designed to support professional technicians with detailed procedures for maintenance, repair, and overhaul of the ZX170W-5A wheel excavator. This manual provides the factory-approved methods and specifications needed to keep your machine operating at peak performance.
This workshop manual is an essential resource for technicians performing maintenance or major repairs on the Hitachi ZX170W-5A. With clear diagrams and thorough instructions, it helps reduce downtime, improve service accuracy, and extend equipment life.







