Package Include
Hitachi ZX17U-5A and ZX19U-5A Excavator Diagrams
Language
English
Format
PDF
Total Number of pages
15
Publication Number
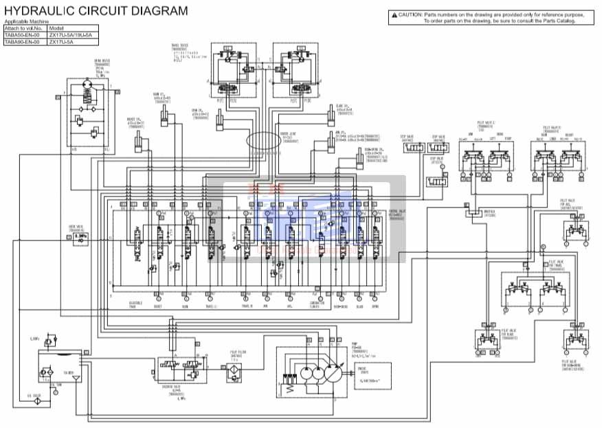
TABA50-EN-00
TABA90-EN-00
Compatible
All windows and mac systems
Additional Requirement
User needs to Install PDF Reader Software
Shipping Policy
Download link by high speed web server Total Download size 19 mb
Ensure optimal maintenance, troubleshooting, and repair of your Hitachi mini excavators with the Official Electrical Diagrams for the Hitachi ZX17U-5A and ZX19U-5A. These detailed schematics are essential for technicians, service professionals, and equipment owners who need precise electrical system information.
-
✅ Covers Models: Hitachi ZX17U-5A and ZX19U-5A
Why Choose This Manual?
-
Save time diagnosing electrical issues
-
Prevent costly errors by using accurate OEM documentation
-
Supports efficient servicing to reduce machine downtime
Whether you’re working in the field or in the shop, these diagrams provide the clarity and confidence needed to get the job done right.



