Package Include
Hitachi ZX190W-5A Workshop Manual and Diagrams
Language
English
Format
PDF
Total Number of pages
376
Publication Number
WLBKE0-EN-00 [2018.05]
TTLBKE0-EN-00
Compatible
All windows and mac systems
Additional Requirement
User needs to Install PDF Reader Software
Shipping Policy
Download link by high speed web server Total Download size 98 mb
✅ Model Coverage: Hitachi ZX190W-5A Wheel Excavator
OEM Quality: Genuine Hitachi factory service documentation
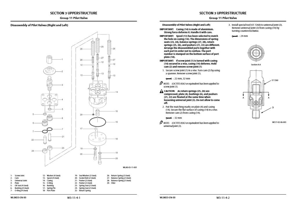
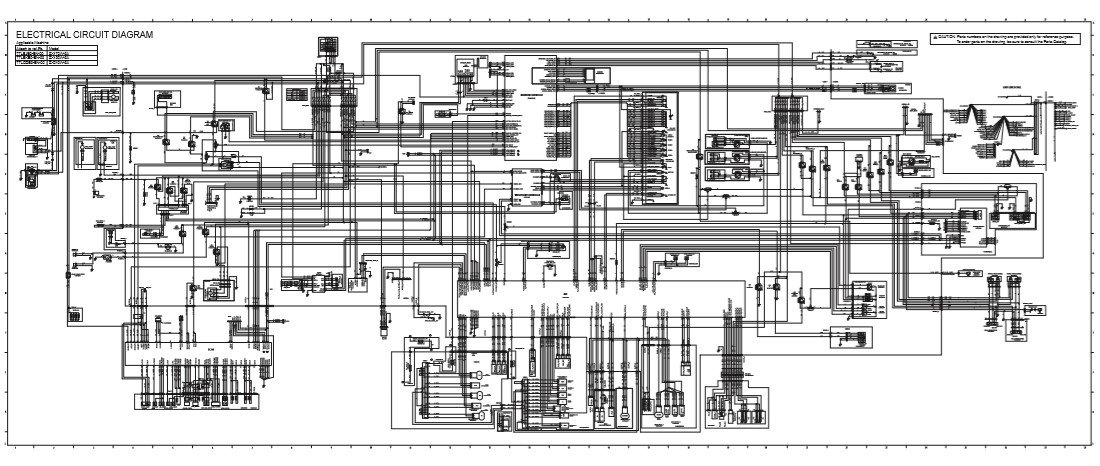
The Hitachi ZX190W-5A Workshop Manual and Diagrams is the official factory-issued service manual, providing comprehensive guidance for the maintenance, inspection, troubleshooting, and repair of your wheel excavator. Developed for professional technicians and heavy equipment mechanics, this manual includes accurate procedures and detailed illustrations to ensure OEM-standard service.
This workshop manual is an essential tool for ensuring reliable maintenance and effective repairs, reducing downtime, and extending the service life of your Hitachi ZX190W-5A







