Package Include
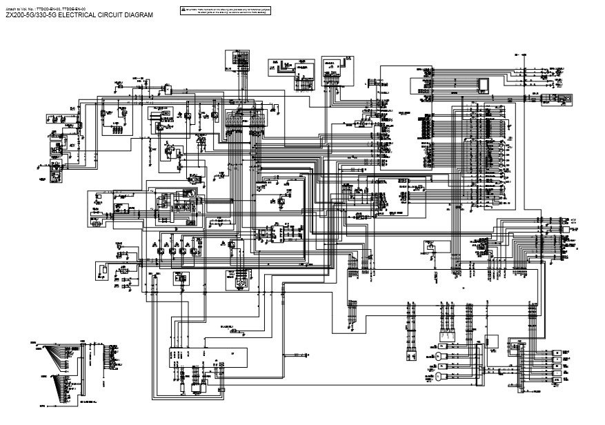
Hitachi ZX200-5G, ZX210-5G Workshop Manual and Diagrams
Language
English
Format
PDF
Total Number of pages
1388
Publication Number
WDCD-EN-00 [2011.10]
WDCD-EN-00 [2012.02]
WDCD-EN-00 [2014.10]
TTDCD-EN-01
Compatible
All windows and mac systems
Additional Requirement
User needs to Install PDF Reader Software
Shipping Policy
Download link by high speed web server Total Download size 45 mb
❓ Why This Manual
✔ Same manual used by certified Hitachi Technicians
✔ Fully searchable and printable PDF
✔ No shipping delay – start repairs immediately
✔ Save time & money on shop visits
👨🔧 Ideal For:
-
Professional mechanics
-
Equipment technicians
-
DIY owners and operators
-
Case dealership service departments






