Package Include
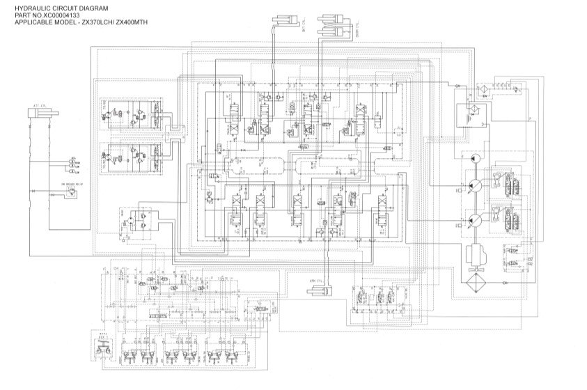
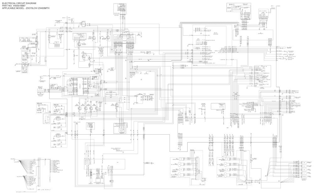
Hitachi ZX370, ZX400 GI Series Electrical and Hydraulic Diagrams
Language
English
Format
PDF
Total Number of pages
6
Compatible
All windows and mac systems
Additional Requirement
User needs to Install PDF Reader Software
Shipping Policy
Download link by high speed web server Total Download size 11 mb
Discover the comprehensive Hitachi ZX370 and ZX400 GI Series Electrical and Hydraulic Diagrams, designed to enhance your operational efficiency and maintenance capabilities. These detailed diagrams provide essential insights into the electrical and hydraulic systems of your machinery, ensuring you can troubleshoot and repair with confidence. With clear illustrations and precise specifications, this resource is invaluable for technicians and operators alike, streamlining your workflow and minimizing downtime. Invest in the Hitachi ZX370 and ZX400 GI Series diagrams to empower your team with the knowledge needed for optimal performance




