Package Include
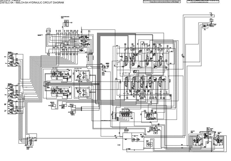
Hitachi ZX670LC-5A, ZX670LCH-5A Workshop Manual and Diagrams
Language
English
Format
PDF
Total Number of pages
686
Publication Number
WJBG-EN-00 [2016.04]
Compatible
All windows and mac systems
Additional Requirement
User needs to Install PDF Reader Software
Shipping Policy
Download link by high speed web server Total Download size 22 mb
Enhance your maintenance and repair capabilities with the Hitachi ZX670LC-5A and ZX670LCH-5A Workshop Manual and Diagrams. This comprehensive guide provides detailed schematics and step-by-step instructions, ensuring you have the essential information at your fingertips to keep your machinery running smoothly. Perfect for professionals and enthusiasts alike, this manual is an invaluable resource for troubleshooting and performing repairs efficiently, ultimately saving you time and money. Invest in your equipment’s longevity and performance with this indispensable workshop manual







