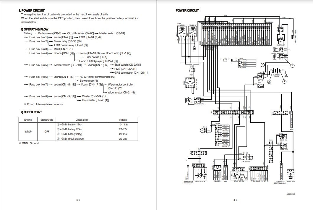
Package Include
Hyundai HX225SL Crawler Excavator Workshop Manual
Language
English
Format
PDF
Total Number of pages
586
Compatible
All windows and mac systems
Additional Requirement
User needs to Install PDF Reader Software
Shipping Policy, Instant download, No waiting
Download link by high speed web server Total Download size 48 mb
The Hyundai HX225SL Excavator Workshop Manual is an essential resource for any technician or DIY enthusiast looking to maintain and repair their excavator with confidence. This comprehensive manual provides detailed diagrams, step-by-step instructions, and troubleshooting tips, ensuring you have all the information needed to keep your machine running smoothly. With its user-friendly layout and clear illustrations, this workshop manual simplifies complex procedures, making it an invaluable tool for efficient maintenance and repair. Invest in the Hyundai HX225SL Workshop Manual today and enhance your excavator’s performance and longevity







