Package Include
Hyundai SL763G Wheel Loader Service Repair Manual
Language
English
Format
PDF
Total Number of pages
214
Compatible
All windows and mac systems
Additional Requirement
User needs to Install PDF Reader Software
Shipping Policy
Download link by high speed web server Total Download size 13 mb
With This Original Factory Service Repair Manual The Technician can Find and Solve any problems encountered in the operation of your Hyundai Wheel Loader Models of :
Hyundai SL763G Wheel Loader
This service manual has been prepared as an aid to improve the quality of repairs by giving the
serviceman an accurate understanding of the product and by showing him the correct way to
perform repairs and make judgements. Make sure you understand the contents of this manual and use it to full effect at every opportunity.
This service manual mainly contains the necessary technical information for operations performed in a service workshop.
For ease of understanding, the manual is divided into the following sections.
The Hyundai SL763G Wheel Loader Service Repair Manual is an essential resource for maintaining and repairing your equipment efficiently. This comprehensive guide provides detailed instructions, diagrams, and specifications to ensure optimal performance and longevity of your wheel loader. With step-by-step procedures and troubleshooting tips, you can confidently tackle any repair or maintenance task, saving time and reducing downtime. Invest in this manual to enhance your operational efficiency and keep your Hyundai SL763G running smoothly
Structure and function
This group explains the structure and function of each component. It serves not only to give an
understanding of the structure, but also serves as reference material for troubleshooting.
Operational checks and troubleshooting
This group explains the system operational checks and troubleshooting charts correlating problem to remedy.
Tests and adjustments
This group explains checks to be amide before and after performing repairs, as well as adjustments
to be made at completion of the checks and repairs.
Disassembly and assembly
This group explains the order to be followed when removing, installing, disassembling or assembling
each component, as well as precautions to be taken for these operations.
Contents of this pdf manual
GENERAL
Group 1 Safety Hints
Group 2 Specifications
Group 3 Operational Checkout Record Sheet
POWER TRAIN SYSTEM
Group 1 Structure and Function
Group 2 Transmission
Group 3 Axle
BRAKE SYSTEM
Group 1 Structure
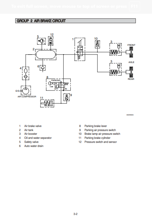
Group 2 Air Brake Circuit
Group 3 Components specification and function
STEERING SYSTEM
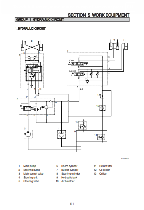
Group 1 Hydraulic Circuit
Group 2 Structure and Function
Group 3 Operational Checks and Troubleshooting
Group 4 Test and Adjustments
WORK EQUIPMENT
Group 1 Hydraulic Circuit
Group 2 Structure and Function
Group 3 Operational Checks and Troubleshooting
Group 4 Test and Adjustments
ELECTRICAL SYSTEM
Group 1 Component Location
Group 2 Electrical Circuit
Group 3 Monitoring System
Group 4 Connector






