Ingersoll Rand ZX75 Excavator Service Repair Manual

Guaranteed Safe Checkout

$10.00

67 people bought this product
Before purchasing the entire pdf handbook, Please GET SAMPLE PREVIEW of this pdf manual and ensure it is suitable with your model

Package Include
Ingersoll Rand ZX75 Excavator Service Repair Manual

Language
English

Format
PDF

Total Number of pages
896

Publication Number
22990683 (10-02-06)

Compatible
All windows and mac systems

Additional Requirement
User needs to Install PDF Reader Software

Shipping Policy
Download link by high speed web server Total Download size 190 mb

Overview
With This Original factory Workshop Manual The Technician can solve any problems encountered in the operation of your Ingersoll Rand Excavator Models of :

ZX75 Excavator

This manual is for the Ingersoll Rand Hydraulic Excavator mechanic. It provides necessary servicing and adjustment
procedures for the hydraulic excavator and its component parts and systems. Refer to the Operation & Maintenance
Manual for operating instructions, starting procedure, daily checks, and more functiones

[This is true Electronic pdf copy with contains high quality images and diagrams, not scanned version]

CONTENT OF THIS MANUAL

SAFETY INSTRUCTIONS
DELIVERY REPORT
SERIAL NUMBER LOCATIONS
INGERSOLL RAND EXCAVATOR IDENTIFICATION
SAFETY AND MAINTENANCE
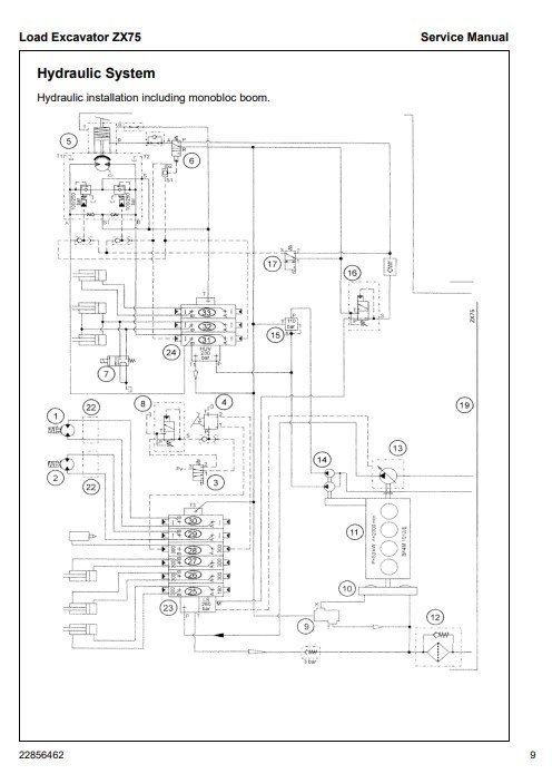
HYDRAULIC SYSTEM
UNDERCARRIAGE
UPPERSTRUCTURE & SWING SECTION
ELECTRICAL SYSTEM AND ANALYSIS
ENGINE SERVICE
HEATING, VENTILATION, AIR CONDITIONING
SPECIFICATIONS

The Ingersoll Rand ZX75 Excavator Service Repair Manual is an essential resource for any technician or DIY enthusiast looking to maintain or repair their ZX75 excavator. This comprehensive manual provides detailed instructions, diagrams, and troubleshooting tips to ensure optimal performance and longevity of your equipment. With clear, step-by-step guidance, you can confidently tackle repairs and service tasks, saving time and money while keeping your excavator in peak condition. Invest in this manual to enhance your knowledge and ensure your machinery operates smoothly for years to come

𝙊𝙫𝙚𝙧 25 𝙮𝙚𝙖𝙧𝙨 𝙤𝙛 𝙨𝙚𝙧𝙫𝙞𝙘𝙚 𝙬𝙞𝙩𝙝 𝙖 100% 𝙨𝙖𝙩𝙞𝙨𝙛𝙖𝙘𝙩𝙞𝙤𝙣 𝙜𝙪𝙖𝙧𝙖𝙣𝙩𝙚𝙚

Concerning ourselves and our vision  100% customer satisfaction, after-sale support, and maintaining contact with our regular clients are our goals.

Until you download it and save it in a secure location Since we sincerely care about you and try our best to accommodate your demands, your feedback is essential to our efforts to improve our services.

What we provide to our clients  Original factory service manuals, repair manuals, workshop manuals, parts manuals, technical manuals, operator’s manuals, owner manuals, electrical diagrams, hydraulic diagrams, and many other instructions for the heavy mechanic industry are available here.

𝙾𝚟𝚎𝚛 𝟑𝟻,𝟶𝟶𝟶 𝚌𝚞𝚜𝚝𝚘𝚖𝚎𝚛𝚜 𝚑𝚊𝚟𝚎 𝚏𝚊𝚒𝚝𝚑 𝚒𝚗 𝚘𝚞𝚛 𝚜𝚎𝚛𝚟𝚒𝚌𝚎. 𝚆𝚎 𝚟𝚊𝚕𝚞𝚎 𝚢𝚘𝚞𝚛 𝚋𝚞𝚜𝚒𝚗𝚎𝚜𝚜 𝚊𝚗𝚍 𝚊𝚛𝚎 𝚐𝚛𝚊𝚝𝚎𝚏𝚞𝚕 𝚝𝚑𝚊𝚝 𝚢𝚘𝚞 𝚑𝚊𝚟𝚎 𝚌𝚑𝚘𝚜𝚎𝚗  𝚠𝚠𝚠.𝚛𝚎𝚙𝚊𝚒𝚛-𝚖𝚊𝚗𝚞𝚊𝚕𝚜.𝚌𝚘𝚖

Ingersoll Rand ZX75 Excavator Service Repair Manual showcasing the title and technical graphics for maintenance guidanceIngersoll Rand ZX75 Excavator Service Repair Manual
$10.00 67 people bought this product
Scroll to Top