| Package include | JCB 135 Skid Steer Loader Service Repair Manual |
| Language | English |
| File Format | |
| Total Number of pages | 1336 |
| Publication Number | 9813/9750 ISSUE 1 – 05/2017 |
| Compatible | Windows system / Mac system / Android / IOS / Chrome OS / Any device capable of opening a PDF file |
| Additional Requirement | User must have any software that can open the pdf format |
| Shipping Policy | All of our products are digital and hence supplied immediately upon purchase. Once your purchase is complete, you will have immediate access to the product via a download link |
| Download Size | Total download size 277 MB |
| Compatible Machine Models | JCB 135 [T4F] Skid Steer Loader |
| Sample Preview Yes | Before purchasing the entire pdf handbook, please get sample preview of this pdf manual and ensure it is suitable with your model |
| Sample Preview Link | DOWNLOAD SAMPLE PREVIEW |
The Factory was highly recommended use this manual for Technicians before you touch your JCB Machines
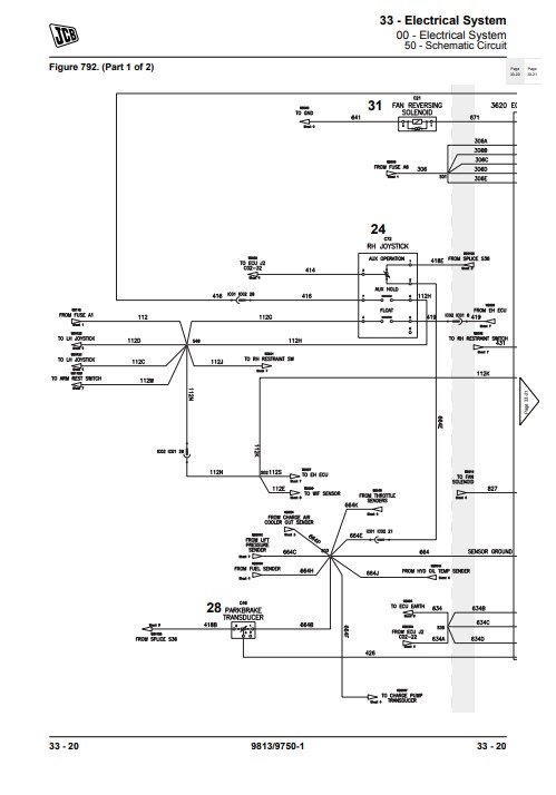
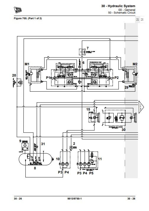
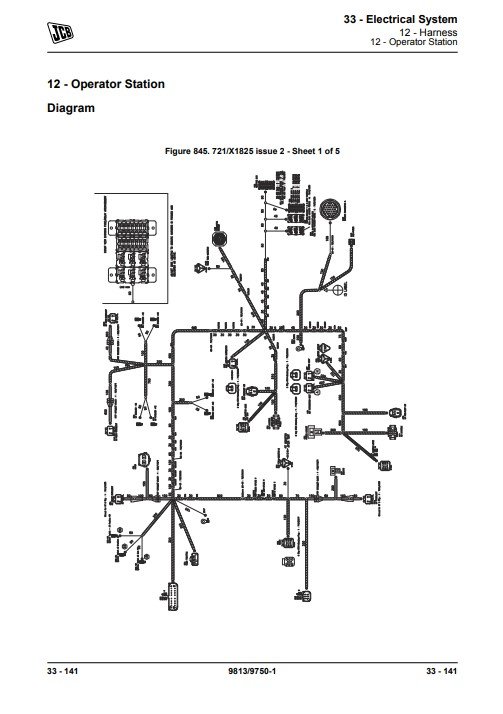
This is Original factory pdf manual and pdf service Manual very clear and it is 100% printable version, contains with high quality images and circuit diagrams
Contents of this jcb pdf manual
Machine
Attachments, Couplings and Load Handling
Body and Framework
Operator Station
Heating, Ventilating Conditioning (HVAC)
Engine
Fuel and Exhaust System
Cooling System
Brake System
Driveline
Hydraulic System
Electrical System
Fasteners and Fixings
Consumable Products
After Sales







