Package Include
JCB 8061 Mini Excavator Service Repair Manual
Language
English
Format
PDF
Total Number of pages
391
Publication Number
9813-1750
Compatible
All windows and mac systems
Additional Requirement
User needs to Install PDF Reader Software
Shipping Policy
Download link by high speed web server Total Download size 28 mb
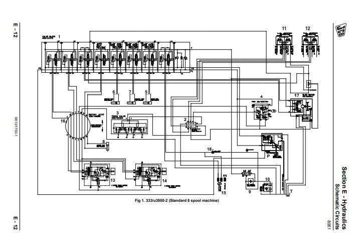
The JCB 8061 Mini Excavator Service Repair Manual is an essential resource for maintaining and repairing your equipment efficiently. This comprehensive guide provides detailed instructions, diagrams, and troubleshooting tips to ensure optimal performance and longevity of your mini excavator. With clear, step-by-step procedures, you can confidently tackle repairs and service tasks, saving time and reducing downtime on the job. Invest in this manual to enhance your operational efficiency and keep your JCB 8061 running smoothly







