Package Include
JCB JS300, JS330, JS370 Excavator Service Repair Manual
Language
English
Format
PDF
Total Number of pages
1444
Publication Number
9813/7500 – ISSUE 2 – 10/2017
Compatible
All windows and mac systems
Additional Requirement
User needs to Install PDF Reader Software
Shipping Policy
Download link by high speed web server Total Download size 192 mb
Overview
With This Original Factory Service Repair Manual The Technician can Find and Solve any problems encountered in the operation of your JCB Excavator Models of :
JS300, JS330, JS370 Excavators
The Factory was highly recommended use this manual for Technicians before you touch your JCB Machine
This manual contains original instructions, verified by the manufacturer (or their authorized representative)
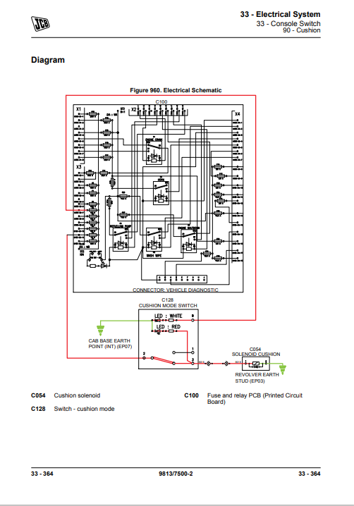
This Original factory pdf manual and pdf service Manual very clear and it is 100% printable version, contains with high quality images and circuit diagrams
The JCB JS300, JS330, and JS370 Excavator Service Repair Manual is an essential resource for maintaining and repairing your heavy machinery. This comprehensive guide provides detailed instructions, diagrams, and troubleshooting tips to ensure optimal performance and longevity of your excavator. With easy-to-follow steps and expert insights, you can confidently tackle repairs and maintenance tasks, saving time and reducing downtime. Invest in this manual to enhance your operational efficiency and keep your equipment running smoothly
Contents of this pdf service manual
Machine
Attachments, Couplings and Load Handling
Body and Framework
Operator Station
Heating, Ventilating and AirConditioning (HVAC)
Engine
Fuel and Exhaust System
Cooling System
Driveline
Hydraulic System
Electrical System
Fasteners and Fixings
Consumable Products
After Sales







