Package Include
JCB JS330, JS450, JS460, JS500 Excavator Service Repair Manual
Language
English
Format
PDF
Total Number of pages
675
Publication Number
9803-6420
Compatible
All windows and mac systems
Additional Requirement
User needs to Install PDF Reader Software
Shipping Policy
Download link by high speed web server Total Download size 65 mb
Compatible Machine Models and Serial Number Range
JCB JS330 [SN 712501]
JCB JS450 [SN 714501]
JCB JS460/500 [SN 714550]
JCB JS460/500 [SN 2410051-2410300]
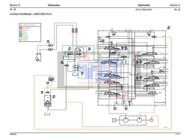
This JCB JS330, JS450, JS460, and JS500 Excavator Service Repair Manual is the official factory-issued guide covering all repair, maintenance, and diagnostic procedures for these powerful JCB excavators. Whether you’re a professional technician or an equipment owner, this manual gives you all the detailed instructions and technical specifications needed to keep your machines running at peak performance.
Key Features:
-
OEM factory content – model-specific and highly detailed
-
Step-by-step instructions with diagrams and exploded views
-
Ideal for repairs, routine servicing, and full overhauls
-
Reduces downtime and ensures machine safety and efficiency
Format: Digital (PDF) or Printed (varies by seller)
Language: English
Keep your JCB JS-Series excavator performing at its best with this essential service repair manual — the trusted resource for professional maintenance and repair.






