Package Include
JCB Load Control Supplement Service Repair Manual
Language
English
Format
PDF
Total Number of pages
350
Publication Number
9803-3665
Compatible
All windows and mac systems
Additional Requirement
User needs to Install PDF Reader Software
Shipping Policy, Instant download, No waiting
Download link by high speed web server Total Download size 30 mb
Compatible Control Systems
LCS (Six Valve Manifold) Load Control System
LC1/LC4 Load Control System
LC2/LC3 Load Control System
LC5 Load Control System
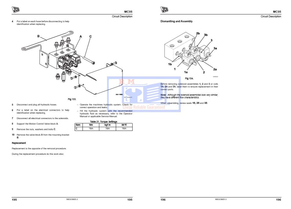
MC05 Load Control System
MC06 Load Control System
The JCB Load Control Supplement Service Repair Manual is an essential resource for maintaining and repairing your JCB equipment. This comprehensive guide provides detailed instructions, diagrams, and troubleshooting tips to ensure optimal performance and longevity of your machinery. With clear, step-by-step procedures, this manual empowers technicians and operators alike to efficiently address any issues, minimizing downtime and maximizing productivity. Invest in this indispensable tool to keep your JCB equipment running smoothly and reliably








