Package Include
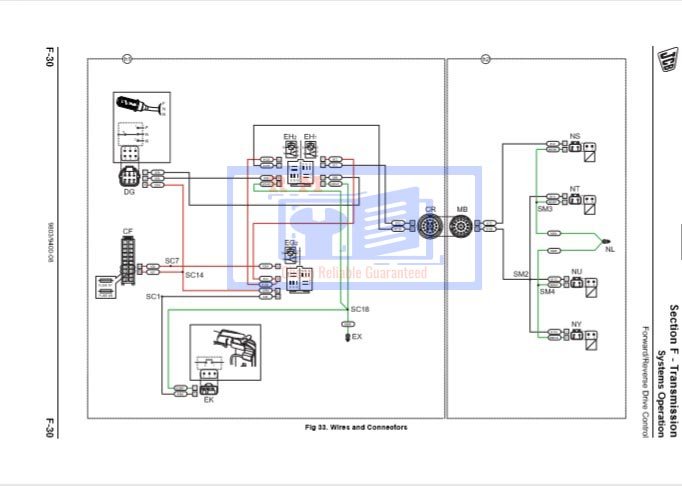
JCB Midi CX Backhoe Loader Service Repair Manual
Language
English
Format
PDF
Total Number of pages
622
Publication Number
9803-9400
Compatible
All windows and mac systems
Additional Requirement
User needs to Install PDF Reader Software
Shipping Policy
Download link by high speed web server Total Download size 49 mb
The JCB Midi CX Backhoe Loader Service Repair Manual is an essential resource for maintaining and repairing your equipment efficiently. This comprehensive guide provides detailed instructions, diagrams, and specifications to ensure that you can perform repairs with confidence and precision. With this manual, you can extend the lifespan of your backhoe loader, minimize downtime, and enhance overall performance, making it a valuable investment for any operator or technician










