Package Include
JCB ROBOT 160, 170, 180T Service Repair Manual
Language
English
Format
PDF
Total Number of pages
308
Publication Number
9803-8520
Compatible
All windows and mac systems
Additional Requirement
User needs to Install PDF Reader Software
Shipping Policy
Download link by high speed web server Total Download size 11 mb
Keep your JCB skid steer loader operating at peak efficiency with this comprehensive Service Repair Manual for the JCB ROBOT 160, JCB ROBOT 170, and JCB ROBOT 180T models. This official manual provides everything you need for complete maintenance, diagnostics, and repair — straight from the manufacturer.
Designed for technicians, mechanics, and experienced operators, this manual includes clear, step-by-step instructions, technical data, and high-quality diagrams to guide you through every aspect of servicing your machine.
✅ Covers the Following Models:
-
JCB ROBOT 160
-
JCB ROBOT 170
-
JCB ROBOT 180T
📘 Key Features:
-
Original JCB factory service documentation
-
Step-by-step repair procedures with detailed illustrations
-
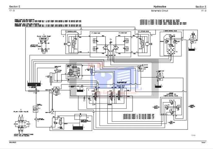
Exploded views and wiring diagrams
-
Fully searchable and printable PDF format
-
Ideal for workshop or field use
Whether you’re handling preventive maintenance or complex repairs, this official JCB ROBOT 160, 170, and 180T service manual gives you the detailed support you need to do the job right. Download now and get started immediately.






