Package Include
JCB VMT860 Tier 3 Roller Service Repair Manual
Language
English
Format
PDF
Total Number of pages
287
Publication Number
9813-0750
Compatible
All windows and mac systems
Additional Requirement
User needs to Install PDF Reader Software
Shipping Policy
Download link by high speed web server Total Download size 13 mb
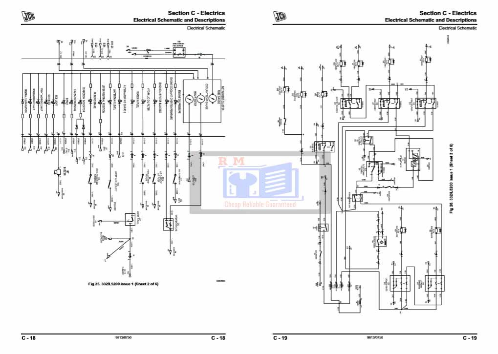
This official Service Repair Manual provides comprehensive factory-approved procedures for servicing the JCB VMT 860 tandem vibratory roller, starting from serial number 1778003 onward. Designed for professional technicians and fleet operators, this manual contains all the technical information required to carry out diagnostics, maintenance, and repairs to OEM standards.
Whether you’re conducting scheduled servicing or troubleshooting hydraulic, engine, or vibratory system issues, this manual offers precise, step-by-step guidance backed by detailed diagrams and specifications.
✅ Applicable Model:
-
JCB VMT 860 Vibratory Roller
-
Serial Numbers: From 1778003 onward
📘 Features:
-
OEM factory manual from JCB
-
Exploded views and high-resolution diagrams
-
Clear, step-by-step instructions
-
Fully searchable and printable PDF format
-
Ideal for workshop or field use
📥 Instant Digital Download
-
Format: PDF
-
Works on: PC, Mac, tablet, smartphone
-
Print-friendly for service technicians
Maintain performance and extend the life of your JCB VMT 860 roller with this detailed and accurate service repair manual. Download today for immediate access to professional-grade repair procedures and technical data.






