Package Include
KATO KR-10H Crane Hydraulic Diagram
Language
English
Format
PDF
Total Number of pages
1
Publication Number
251-60000001
Compatible
All windows and mac systems
Additional Requirement
User needs to Install PDF Reader Software
Shipping Policy
Download link by high speed web server Total Download size 1 mb
Overview of the Kato KR-10H Crane
The Kato KR-10H Crane is a highly versatile and compact machine designed to meet the demands of various lifting operations. This crane is widely recognized for its impressive specifications, making it suitable for both urban and rural construction environments. The KR-10H boasts a maximum lifting capacity of 10 tons and a reach of approximately 24 meters, allowing for efficient handling of a variety of loads in diverse working conditions.
One of the key features of the Kato KR-10H is its advanced hydraulic system, which plays a crucial role in the crane’s performance. The crane utilizes a state-of-the-art hydraulic mechanism that provides excellent power and control, enhancing the precision of lifting operations. This hydraulic system enables smooth boom extension, retraction, and rotation, which are essential for achieving accurate placement of loads. Additionally, its strong hydraulic pumps contribute to the crane’s ability to perform lifts quickly and efficiently, significantly improving operational productivity.
The Kato KR-10H is also equipped with a user-friendly control interface that simplifies crane operation. Operators can easily adjust the crane’s movements, ensuring that it adapts seamlessly to the challenging conditions often present on construction sites. Its compact size allows it to maneuver in tight spaces where larger cranes may not fit, making it a preferred choice for projects in congested urban areas.
In terms of applications, the Kato KR-10H is commonly employed in construction, infrastructure repair, and other heavy-duty tasks that require reliable lifting solutions. The crane’s design allows it to operate effectively on slopes and uneven terrains, which further enhances its versatility. The strategic integration of hydraulic systems into its functionality underscores the importance of this technology in promoting both the efficiency and safety of lifting operations.
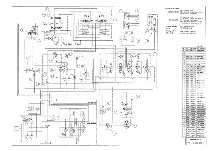
Detailed Analysis of the Hydraulic Diagram
The hydraulic diagram of the Kato KR-10H Crane is essential for understanding how power is transferred through various components of the hydraulic system. This crane operates using a sophisticated hydraulic mechanism that consists of several integral parts including hydraulic pumps, valves, cylinders, and hoses. Each of these components plays a pivotal role in enhancing the crane’s functionality.
The hydraulic pumps are the heart of the system, responsible for generating the pressure needed to move the hydraulic fluid. This fluid is then directed through the network of hoses that connect to various valves, which control the flow and distribution of the fluid. The valves can be classified into different types, including directional control valves, pressure relief valves, and flow control valves, each serving distinct purposes during operation. For instance, the directional control valves determine the path that the hydraulic fluid takes, essential for directing movement in the crane.
Next, hydraulic cylinders are crucial as they convert hydraulic pressure into mechanical force. In the Kato KR-10H, these cylinders facilitate the lifting and lowering motions required for the effective operation of the crane. Understanding these cylinders’ operation is vital, as it directly impacts load handling capabilities. The precise coordination of these components ensures that hydraulic fluid flows efficiently and effectively throughout the system, optimizing performance.
Moreover, it is pivotal to regularly inspect and maintain the hydraulic components of the crane. This ensures that any potential leaks in the hoses are promptly addressed and that the fluid levels are consistently maintained, which contributes to the longevity and performance of the hydraulic system. By thorough analysis, users can appreciate the intricate design of the Kato KR-10H’s hydraulic diagram, allowing for informed decisions regarding maintenance and operation.


