Package Include
Kawasaki 70Z6 Electrical , Hydraulic and Wiring Diagrams
Language
English
Format
PDF
Total Number of pages
17
Publication Number
70Z6 F&S
Compatible
All windows and mac systems
Additional Requirement
User needs to Install PDF Reader Software
Shipping Policy
Download link by high speed web server Total Download size 17 mb
With This Original Factory Diagrams The Technician can Find and Solve any problems encountered in the section of Electrical , Hydraulic and Wiring of your Kawasaki Wheel Loader Models of :
Applicable Machine: Kawasaki 70Z6 Wheel Loader
The Kawasaki 70Z6 Electrical & Hydraulic & Wiring Diagrams is an essential resource for professionals and enthusiasts alike, providing comprehensive schematics that simplify troubleshooting and maintenance. This detailed guide ensures you have access to accurate wiring diagrams and hydraulic layouts, enhancing your understanding of the machine’s systems. With clear illustrations and precise information, you can efficiently diagnose issues and perform repairs, ultimately extending the lifespan of your equipment. Invest in this invaluable tool to streamline your workflow and ensure optimal performance of your Kawasaki 70Z6
Include Diagrams
Electrical Connection Diagram (Cab)
Electrical Connection Diagram (Cab)
Electrical Connection Diagram (Canopy)
Electrical Connection Diagram (Canopy)
Rear Chassis Wiring Diagram Main Cable
Rear Chassis Wiring Diagram Main Cable, Center Cable
Rear Chassis Wiring Diagram Rear Chassis Left, Hydraulic Tank
Front Chassis Wiring Diagram Main Cable, Head Lamp
Floor Wiring Diagram (Front Console)
Floor Wiring Diagram (Front Console)
Floor Wiring Diagram (Rear Console) Main Cable
Floor Wiring Diagram (Rear Console) Main Cable
Floor Wiring Diagram (Rear Console) Transmission
Floor Wiring Diagram (Right Side Console) Switch
Floor Wiring Diagram (Right Side Console) Control Lever
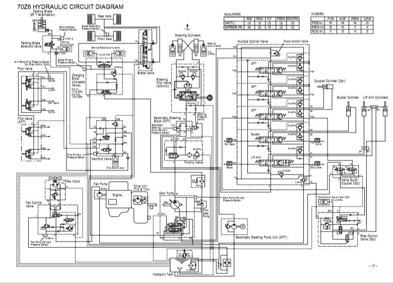
Hydraulic Circuit Diagram
The Factory was highly recommended use this Diagrams, Technicians before you touch Kawasaki Machines
This PDF Service Manual very clear and it is 100% printable version , Contains high quality images also include Electrical , Hydraulic and Wiring diagrams
If you are looking for a specific manual and if you can not find it on our store, contact our customer support team, with details of the required manual, we will do our absolute best to acquire it for you.





