Product Code KBL 0120 [After payment, this Code Helps to receive correct download password to your Account Dashboard ]
Package Include
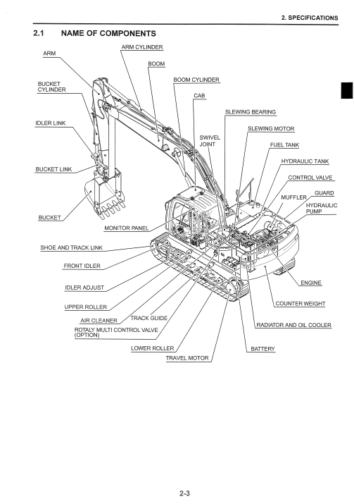
Kobelco SK200-8, SK210LC-8 Workshop Repair Manual
Language
English
Format
PDF
Total Number of pages
1-1112
Publication Number
S5YN0018E03
Compatible
All windows and mac systems
Additional Requirement
User needs to Install PDF Reader Software
Shipping Policy
Download link by high speed web server Total Download size 224 mb
With This Original Factory Repair Manual The Technician can Find and Solve any problems encountered in the operation of your Kobelco Excavator Models of :
APPLICABLE:
SK200-V, SK200LC-V Excavators
SK20-8 [S.N YN11-45001~]
SK200LC-8 [S.N YQ11-06001~]
The Factory was highly recommended use this manual, Technicians before you touch Kobelco Machines
This PDF Service Manual very clear and it is 100% printable version , Contains high quality images also include diagrams
If you are looking for a specific manual and if you can not find it on our store, contact our customer support team, with details of the required manual, we will do our absolute best to acquire it for you.







