Package Include
Kobelco SK210-9 Excavator Workshop Repair Manual
Language
English
Format
PDF
Total Number of pages
1054
Publication Number
S5YN0042E01
Compatible
All windows and mac systems
Additional Requirement
User needs to Install PDF Reader Software
Shipping Policy
Download link by high speed web server Total Download size 132 mb
With This Original Factory Repair Manual The Technician can Find and Solve any problems encountered in the operation of your Kobelco Excavator Models of :
APPLICABLE:
SK210-9 Excavator
The Factory was highly recommended use this manual, Technicians before you touch Kobelco Machines
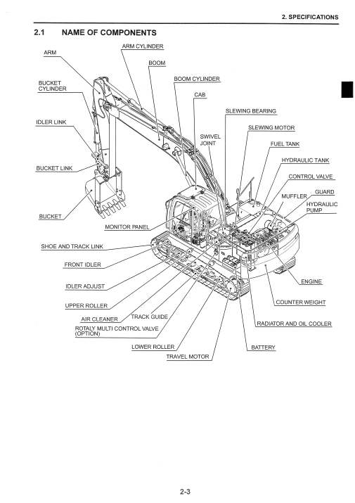
This PDF Service Manual very clear and it is 100% printable version , Contains high quality images also include diagrams
The Kobelco SK210-9 Excavator Workshop Repair Manual is an essential resource for any technician or DIY enthusiast looking to maintain or repair their excavator with confidence. This comprehensive manual provides detailed instructions, diagrams, and specifications, ensuring you have all the information needed to perform repairs efficiently and effectively. With its user-friendly layout, you can easily navigate through troubleshooting tips and maintenance procedures, ultimately extending the life of your equipment and enhancing its performance. Invest in this manual to save time and reduce costly repairs, making it a must-have for every Kobelco SK210-9 owner
If you are looking for a specific manual and if you can not find it on our store, contact our customer support team, with details of the required manual, we will do our absolute best to acquire it for you.







