Package include
Kobelco SK330-VI, SK330LC-VI, SK330NLC-VI Excavator Workshop Manual
Language
English
Format
PDF
Total Number of pages
1302
Publication Number
S5LC0007E
Compatible
All windows and mac systems
Additional Requirement
User needs to Install PDF Reader Software
Shipping Policy
Download link by high speed web server Total Download size 70 mb
Compatible Machine Models
Kobelco SK330-VI Excavator
Kobelco SK330LC-VI Excavator
Kobelco SK330NLC-VI Excavator
Compatible Serial Numbe Range
SN : LC06-05501~
SN : YC06-02501~
DOWNLOAD SAMPLE OF THIS PDF MANUAL
Take full control of your maintenance and repairs with this Complete Workshop Repair Manual for Kobelco SK330-VI, SK330LC-VI, SK330NLC-VI Excavators. Whether you’re a professional technician or a hands-on owner, this official OEM manual gives you everything you need to diagnose, service, and repair your equipment — exactly like the dealership would
This is the same professional manual used by authorized Case service centers worldwide. Whether you’re performing a minor repair or a major overhaul, this manual gives you everything you need to get the job done right
This Service Manual is very easy to understand, fully printable, and includes original instructions that have been approved by the manufacturer or an authorized representative. It also includes high-quality photographs and diagrams.
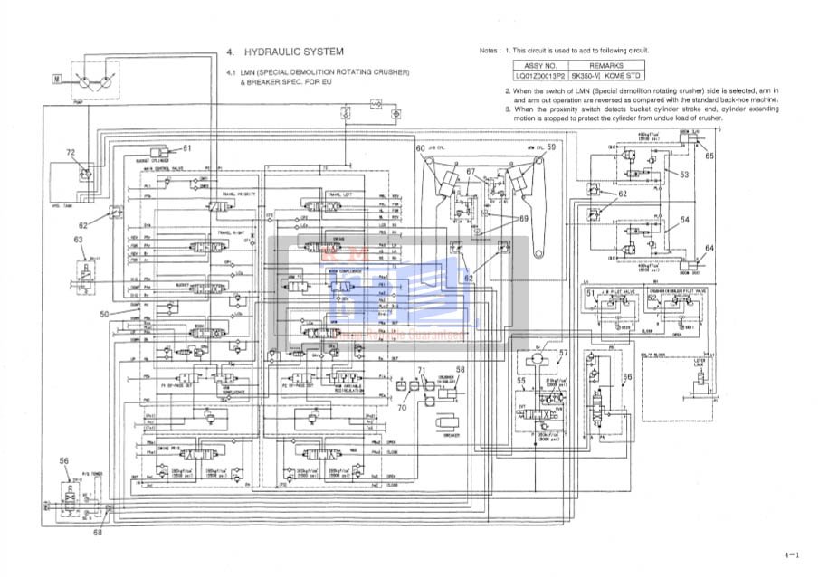
This is the Workshop Manual for the Kobelco SK330-VI, SK330LC-VI, SK330NLC-VI Excavators. This manual is very detailed and contains all the official CASE manufacturer specifications, troubleshooting, repair instructions step by step with illustrations and wiring diagrams. Simple to complicated repairs can be completed effortlessly with the information provided. It is 100 percent complete and intact. The manual is specifically written for the the experienced mechanic
Ensure top performance and long-lasting durability of your Kobelco SK330-VI, SK330LC-VI, SK330NLC-VI Excavators with this comprehensive Workshop Repair Manual. Designed specifically for professional technicians, mechanics, and equipment owners, this manual provides detailed instructions, diagrams, and specifications to perform maintenance, service, diagnostics, and repairs with confidence
❓ Why This Manual
✔ Same manual used by certified Kobelco Technicians
✔ Fully searchable and printable PDF
✔ No shipping delay – start repairs immediately
✔ Save time & money on shop visits
👨🔧 Ideal For:
-
Professional mechanics
-
Equipment technicians
-
DIY owners and operators
-
Case dealership service departments
Whether you’re performing a quick service or a complete overhaul, this manual is your essential companion for maximizing the performance and longevity of your Kobelco SK330-VI, SK330LC-VI, SK330NLC-VI Excavators










