Package Include
Kobelco SK30SR-3 , SK35SR-3 Excavator Service Repair Manual
Language
English
Format
PDF
Total Number of pages
746
Publication Number
S5PW0009E-01
Compatible
All windows and mac systems
Additional Requirement
User needs to Install PDF Reader Software
Shipping Policy
Download link by high speed web server Total Download size 35 mb
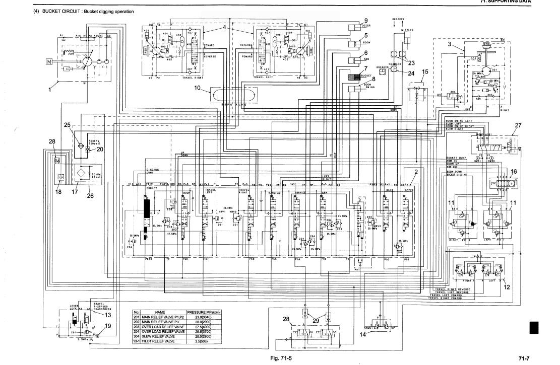
With This Original Factory Service Repair Manual The Technician can Find and Solve any problems encountered in the operation of your Kobelco Excavator Models of :
APPLICABLE:
SK30SR-3 Excavator [PW11-30001 ~]
SK35SR-3 Excavator [PX12-11001~]
The Factory was highly recommended use this manual, Technicians before you touch Kobelco Machines
This PDF Service Manual very clear and it is 100% printable version , Contains high quality images also include diagrams , This is True Electronic pdf copy, not scanned version
DOWNLOAD SAMPLES OF THIS PDF SERVICE MANUAL
If you are looking for a specific manual and if you can not find it on our store, contact our customer support team, with details of the required manual, we will do our absolute best to acquire it for you.
The Kobelco SK30SR-3 and SK35SR-3 Excavator Service Repair Manual is an essential resource for maintaining and repairing your excavator with confidence. This comprehensive guide provides detailed instructions, diagrams, and troubleshooting tips to ensure optimal performance and longevity of your machinery. With easy-to-follow steps and expert insights, you can save time and money on repairs while keeping your equipment in peak condition. Invest in this manual today to enhance your operational efficiency and minimize downtime







