Product Code KBL 0089 After payment, this Code Helps to receive correct download password to your Account Dashboard ]
Package Include
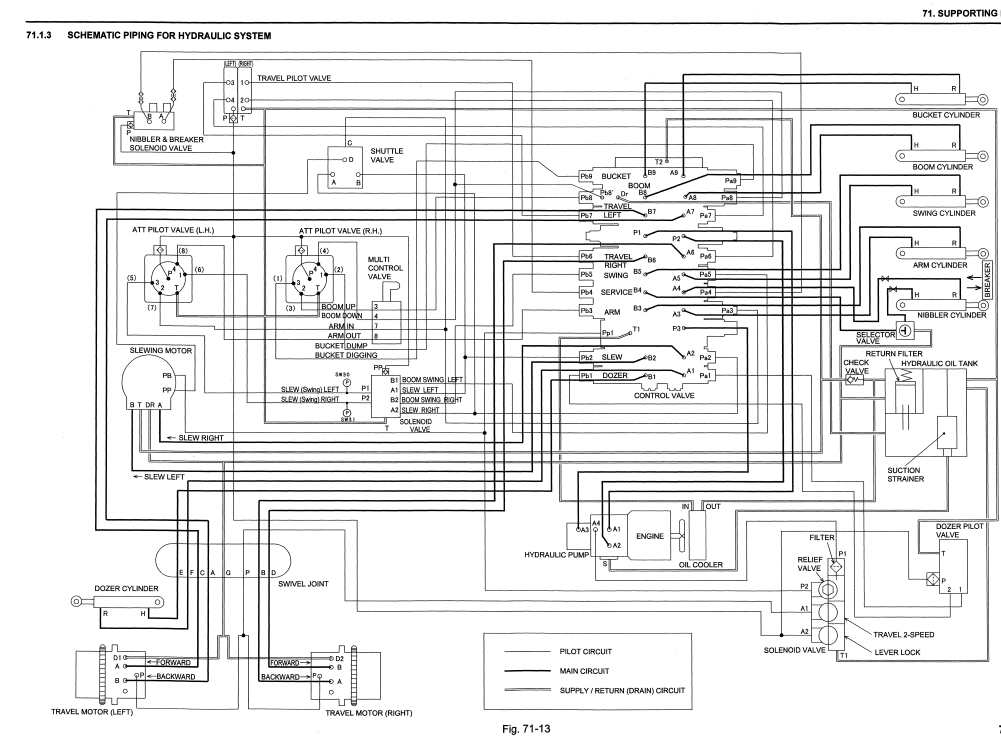
Kobelco SK50SR-3 Excavator Service Repair Manual
Language
English
Format
PDF
Total Number of pages
1-754
Publication Number
S5PJ0009E-01 (07/2004)
Compatible
All windows and mac systems
Additional Requirement
User needs to Install PDF Reader Software
Shipping Policy
Download link by high speed web server Total Download size 41 mb
With This Original Factory Service Repair Manual The Technician can Find and Solve any problems encountered in the operation of your Kobelco Excavator Models of :
APPLICABLE:
SK50SR-3 Excavator [PJ04-03001~]
The Factory was highly recommended use this manual, Technicians before you touch Kobelco Machines
This PDF Service Manual very clear and it is 100% printable version , Contains high quality images also include diagrams , This is True Electronic pdf copy, not scanned version
DOWNLOAD SAMPLES OF THIS PDF SERVICE MANUAL
If you are looking for a specific manual and if you can not find it on our store, contact our customer support team, with details of the required manual, we will do our absolute best to acquire it for you.







